TRT "107-108" Для стандарта и не только! (4.04.2026) Форум Обсуждение FAQ
Вопрос позамене системы облегчения пуска с SQG на AG или SRG
Модераторы: SNOOPER, Nbf, Romik, BAlex, drcham, DenVer, Алекс
Правила форума
Раздел посвящен общим вопросам по дизельным двигателям, которые могут оказаться важными и интересными владельцам разных моделей, разных годов выпуска.
Раздел посвящен общим вопросам по дизельным двигателям, которые могут оказаться важными и интересными владельцам разных моделей, разных годов выпуска.
- Алекзандер
- Сообщения: 112
- Зарегистрирован: 09 дек 2009, 01:59
- Откуда: Балашиха
- Поблагодарили: 1 раз
- Контактная информация:
вопрос по системе накала
Здрасте всем! Народ, подскажите пожалуйста, хочу изменить систему накала свечей с SuperQuickGlow на обычную, с одной релюшкой и 12-ти вольтовыми свечами. Надоели эти танцы с бубном и тяжелый запуск при холодной погоде. Наверняка кто ни будь этим заморачивался. В поиске смотрел, но ничего не нашел. Если не трудно то ткните носом или расскажите что да как (с подробностями конечно). Вариант поставить 12В свечи и греть их с кнопки не рассматриваются.
Сразу поясню, система накала полностью рабочая, свечи новые оригинальные, подсоса воздуха нет, ТНВД и форсунки настроены, компрессия в норме.
машинка в подписи.
Сразу поясню, система накала полностью рабочая, свечи новые оригинальные, подсоса воздуха нет, ТНВД и форсунки настроены, компрессия в норме.
машинка в подписи.
4D56, автомат, SS, 91 г. правый руль, body "2", А\Т гудрич 33, пружины "патрулевские", люстра, Megajet 600+
Жизнь гавно, но я с лопатой!!!
8-926-269-58-57
Жизнь гавно, но я с лопатой!!!
8-926-269-58-57
- Ermakoff
- Сообщения: 4275
- Зарегистрирован: 18 фев 2004, 13:11
- Двигатель:: 4D56
- Мой автомобиль(и):: Galloper Exceed`93
- Откуда: Волжский
- Откуда: Пятигорск
- Поблагодарили: 13 раз
- Контактная информация:
Re: вопрос по системе накала
По идее поменять блок, оставить одну релюху и свечи 11 вольтовые.
А смысл менять, если своя рабочая? Танцы с бубном могут не окончиться.
А смысл менять, если своя рабочая? Танцы с бубном могут не окончиться.
Если у человека нет чувства юмора, у него по крайней мере должно быть чувство, что у него нет чувства юмора.
- Алекзандер
- Сообщения: 112
- Зарегистрирован: 09 дек 2009, 01:59
- Откуда: Балашиха
- Поблагодарили: 1 раз
- Контактная информация:
Re: вопрос по системе накала
да фиг его знает. не нравится мне то как работает эта система. у соседа стоит одна релюха, при включении зажигания греет свечи секунд 20-30 и запускается с полтычка в любой мороз, а у меня две релюхи а маслать приходится по долгу и еще не факт что заведется с первого раза.
отдельно поменять только блок не получится, на блоке SuperQuickGlow 2 колодки разъемов, а на простой системе одна, да и проводку на самих релюшках тоже надо переделать.
отдельно поменять только блок не получится, на блоке SuperQuickGlow 2 колодки разъемов, а на простой системе одна, да и проводку на самих релюшках тоже надо переделать.
4D56, автомат, SS, 91 г. правый руль, body "2", А\Т гудрич 33, пружины "патрулевские", люстра, Megajet 600+
Жизнь гавно, но я с лопатой!!!
8-926-269-58-57
Жизнь гавно, но я с лопатой!!!
8-926-269-58-57
- Nbf
- Дикий Админ
- Сообщения: 27652
- Зарегистрирован: 30 авг 2006, 17:58
- Двигатель:: 4D56t,
- Мой автомобиль(и):: L200'Беззубик Citroen'Мария
- Откуда: из тех ворот, что и весь народ
- Откуда: Ст.Купавна, Балашиха-1
- Благодарил (а): 1124 раза
- Поблагодарили: 1461 раз
- Контактная информация:
Re: вопрос по системе накала
Знаешь, я запоздало догадался почему я так же с бубнами плясал. Все же блок тихо сдох, хотя виду не подавал - он снимал напругу 12 в раньше времени. Всегда по разному - то есть на холодную позже, на горячую раньше. Но - раньше чем нужно. Кроме того - на этой системе, как я понял - ждать отщелкивания реле вообще не нужно и даже вредно. То есть ключ сразу же на старт и тогда шансов на пуск с первого захода выше не в пример, ибо после щелчка первого реле на свечи не идет вообще никакой напруги.
Павел.
Терпение и труд - мне не идут!
______________
L-200, '08, SS, АКПП, 4D56t, MT 285/75/16, EW-12000.
тел. (Ч95)6Ч2ЗО92
Юридические услуги http://www.expertcity.ru
Группа Паджеро в ТГ: https://t.me/pajeroclubru
Группа Паджеро в VK: https://vk.com/pajerorussia
Терпение и труд - мне не идут!
______________
L-200, '08, SS, АКПП, 4D56t, MT 285/75/16, EW-12000.
тел. (Ч95)6Ч2ЗО92
Юридические услуги http://www.expertcity.ru
Группа Паджеро в ТГ: https://t.me/pajeroclubru
Группа Паджеро в VK: https://vk.com/pajerorussia
- Ermakoff
- Сообщения: 4275
- Зарегистрирован: 18 фев 2004, 13:11
- Двигатель:: 4D56
- Мой автомобиль(и):: Galloper Exceed`93
- Откуда: Волжский
- Откуда: Пятигорск
- Поблагодарили: 13 раз
- Контактная информация:
Re: вопрос по системе накала
Так может просто например датчик температурный глючить, вот и будут танцы, блок будет рано снимать или вообще не снимать, сжигая свечи.
Если у человека нет чувства юмора, у него по крайней мере должно быть чувство, что у него нет чувства юмора.
- Nbf
- Дикий Админ
- Сообщения: 27652
- Зарегистрирован: 30 авг 2006, 17:58
- Двигатель:: 4D56t,
- Мой автомобиль(и):: L200'Беззубик Citroen'Мария
- Откуда: из тех ворот, что и весь народ
- Откуда: Ст.Купавна, Балашиха-1
- Благодарил (а): 1124 раза
- Поблагодарили: 1461 раз
- Контактная информация:
Re: вопрос по системе накала
По всем тестам у меня датчик в порядке. А вот блок когда-то кто-то чинил - при вскрытии обнаружен толстенный провод, соединяющий две дорожки и подсохшие элементы схемы... В общем оно работает - но не так.Ermakoff писал(а):Так может просто например датчик температурный глючить, вот и будут танцы, блок будет рано снимать или вообще не снимать, сжигая свечи.
Жаль, что я это сообразил к тому моменту, когда уже ни одной свечи родной в хозяйстве не осталось - теперь вот думаю - то ли восстанавливать (покупка 4 свечей, блока) то ли забить и пойти по пути Алекзандера
Павел.
Терпение и труд - мне не идут!
______________
L-200, '08, SS, АКПП, 4D56t, MT 285/75/16, EW-12000.
тел. (Ч95)6Ч2ЗО92
Юридические услуги http://www.expertcity.ru
Группа Паджеро в ТГ: https://t.me/pajeroclubru
Группа Паджеро в VK: https://vk.com/pajerorussia
Терпение и труд - мне не идут!
______________
L-200, '08, SS, АКПП, 4D56t, MT 285/75/16, EW-12000.
тел. (Ч95)6Ч2ЗО92
Юридические услуги http://www.expertcity.ru
Группа Паджеро в ТГ: https://t.me/pajeroclubru
Группа Паджеро в VK: https://vk.com/pajerorussia
- Алекзандер
- Сообщения: 112
- Зарегистрирован: 09 дек 2009, 01:59
- Откуда: Балашиха
- Поблагодарили: 1 раз
- Контактная информация:
Re: вопрос по системе накала
Я полностью, с нуля востанавливал эту систему. При покупке авто она в принципе не работала, свечи с кнопки грелись. Востановил, проверил, кучу свечей перепробовал, и пришел к выводу, чем проще будет эта система, тем меньше будет глюков. На самом деле, ну что кроме себя самой сможет нагреть 6 вольтовая свеча за 2-5 секунды? Правильно- нифига она не нагреет. На мой взгляд эта система хороша будет только где ни будь на юге, где климат более теплый, а у нас с нашей погодой это просто лишний геморой.
4D56, автомат, SS, 91 г. правый руль, body "2", А\Т гудрич 33, пружины "патрулевские", люстра, Megajet 600+
Жизнь гавно, но я с лопатой!!!
8-926-269-58-57
Жизнь гавно, но я с лопатой!!!
8-926-269-58-57
-
Mr_Mahno
- Сообщения: 127
- Зарегистрирован: 09 апр 2011, 21:38
- Двигатель:: 4M40
- Мой автомобиль(и):: PAJEROII V46
- Поблагодарили: 1 раз
- Контактная информация:
Re: вопрос по системе накала
ну тогда ставить саморегулирующиеся свечи (керамику или металл на свой вкус и бюджет), и запитывать их от реле №2 исключив из схемы гасящий резистор ИМХО самый простой выход
- chempic
- Сообщения: 182
- Зарегистрирован: 24 сен 2010, 12:04
- Двигатель:: 4D56T, 6G75
- Мой автомобиль(и):: красный коротыш П2 и синий бегемот П4
- Откуда: Свердл. обл.
- Откуда: Mikhaylovsk Свердл.обл.
- Поблагодарили: 5 раз
Re: вопрос по системе накала
12В на свечи подается всегда при повороте ключа, а длительность включения зависит не от температуры ОЖ, а от сопротивления свечей (чтоб не сгорели). При температуре меньше 20С, 6В подается в течении 30с тоже с отключением по сопротивлению (щелчки).Ermakoff писал(а):Так может просто например датчик температурный глючить, вот и будут танцы, блок будет рано снимать или вообще не снимать, сжигая свечи.
Да и 12В ничего там не нагреет, если у ней конечно нагревательный элемент по площади раз в 10 будет больше тогда может быть и нагреет. Эта система предназначена не для прогрева форкамеры, а для лучшего воспламенения смеси.Алекзандер писал(а):На самом деле, ну что кроме себя самой сможет нагреть 6 вольтовая свеча за 2-5 секунды? Правильно- нифига она не нагреет.
Если с топливной все в порядке и свечи норм, измерь компрессию.
PII, 3dor, Red, 4D56T, SS, 32 Mud
PIV, 5dor, Blue, 6G75, SS2
PIV, 5dor, Blue, 6G75, SS2
-
Mr_Mahno
- Сообщения: 127
- Зарегистрирован: 09 апр 2011, 21:38
- Двигатель:: 4M40
- Мой автомобиль(и):: PAJEROII V46
- Поблагодарили: 1 раз
- Контактная информация:
Re: вопрос по системе накала
именно от температуры ОЖ! ибо больше никаких следящих органов у блока управления нет, и тем более отследить сопротивление свечей... посмотрите на схемуchempic писал(а):длительность включения зависит не от температуры ОЖ, а от сопротивления свечей (чтоб не сгорели). При температуре меньше 20С, 6В подается в течении 30с тоже с отключением по сопротивлению (щелчки).
-
AAKun
- Сообщения: 396
- Зарегистрирован: 11 май 2010, 12:56
- Двигатель:: 4D56
- Мой автомобиль(и):: Pajero
- Откуда: НСК
- Поблагодарили: 1 раз
Re: вопрос по системе накала
Есть, в самом блоке, и следит он за всем на столько, что я уже заманался искать че не нравится, а с неоригинальными свечами вообще не какие танцы с бубнами не помогут...именно от температуры ОЖ! ибо больше никаких следящих органов у блока управления нет, и тем более отследить сопротивление свечей... посмотрите на схему
Свечи оригинальные но у меня щелкают постоянно... Боюсь такими темпами и от свечей скоро уже не чего не останется, только новые все купил...
Послежу за темой, тоже мучают мысли выкинуть все это нафиг или блок уже новый искать, но кнопку не хочу, автозапуск хочу!
Последний раз редактировалось AAKun 10 ноя 2011, 09:26, всего редактировалось 1 раз.
Pajero II, коротыш, 4D56.
-
AAKun
- Сообщения: 396
- Зарегистрирован: 11 май 2010, 12:56
- Двигатель:: 4D56
- Мой автомобиль(и):: Pajero
- Откуда: НСК
- Поблагодарили: 1 раз
Re: вопрос по системе накала
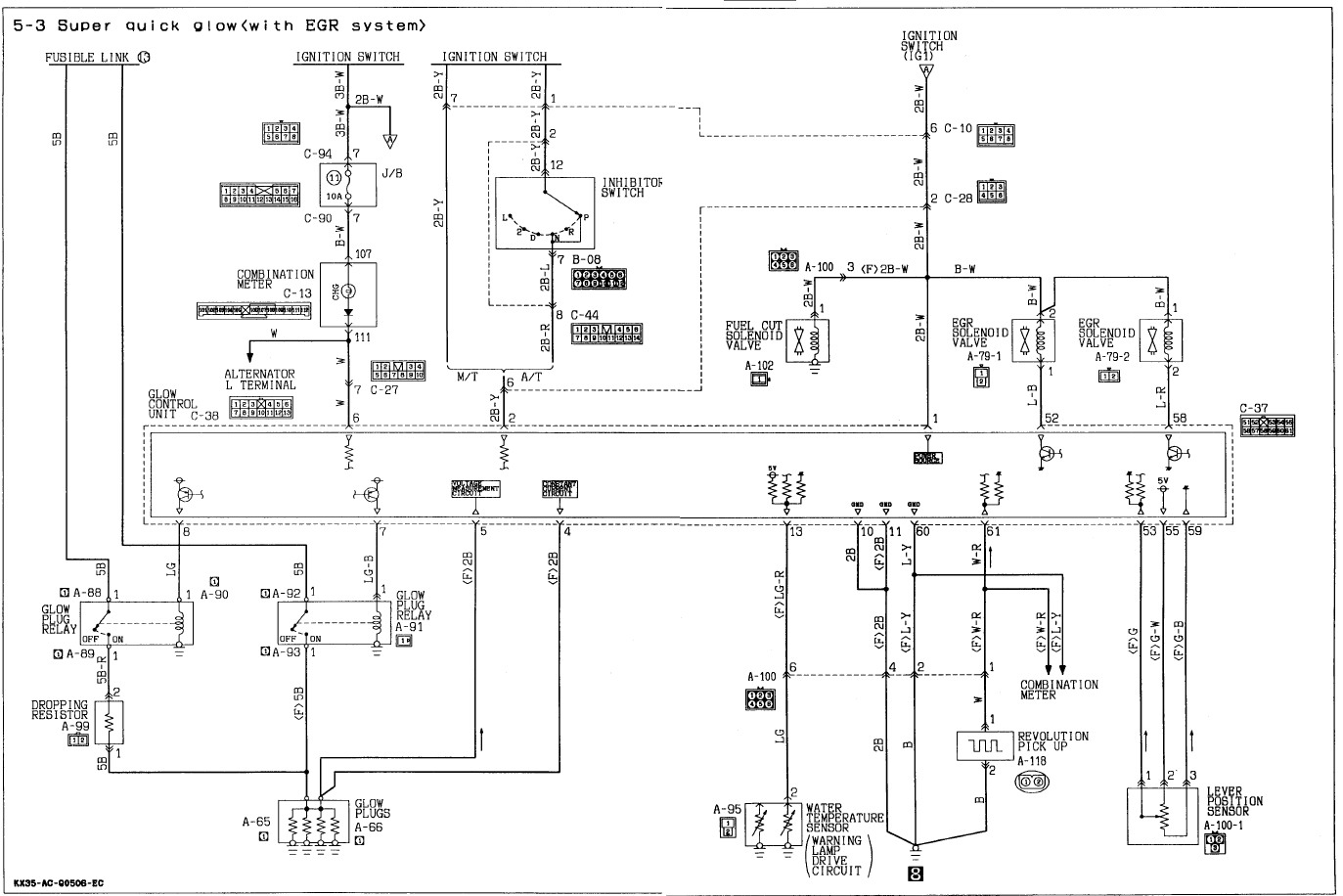
Мне тут одноклубник скидывал схемку, на ней замечательно видно, где и что снимается!
Pajero II, коротыш, 4D56.
- kolchugin
- Сообщения: 947
- Зарегистрирован: 13 мар 2008, 07:34
- Двигатель:: 4D56T
- Мой автомобиль(и):: Pajero II
- Откуда: Кольчугино Владимирская обл. (33)
- Благодарил (а): 2 раза
- Поблагодарили: 47 раз
Re: вопрос по системе накала
Ребят, скажу такую штуку. Система с двумя реле накала работает. И в Мороз заводить двигло позволяет. В прошлую зиму заводился движок с пол оборота без никаких проблем, пока один раз соляру в мороз в баке не прихватило. Правда повозиться приходится много.
На мой взгляд основная проблема долгого запуска это воздух в топливной системе. Начните поиск с самого корпуса топливного фильтра, т.е. с лягушки. Если крышка топливного фильтра с подогревом, то проблема скорее всего в ней. Если же стоит обычный корпус топливного фильтра, без подогрева, то перед запуском покачайте лягушкой, причем если там есть воздух это будет чувствоваться сразу. ну а дальше по всем шлангам, трубкам от ТНВД до бака.
Проверить в чем проблема можете сами. Заведете движок, прогреете до рабочей температуры, затем заглушите двигло. Отключите полностью подачу напряжения на свечи накала. И запускайте движок совсем без системы прогрева. Если без свечей двигло запустится что называется с пол оборота, то подозрение именно на систему прогрева свечей, а если запустится после долгой прокрутки стартером, или и того хуже вообще не заведется, то проблема в самом движке, т.е воздух в системе, У.О.В. , распыл форсунок, компрессия.
На мой взгляд основная проблема долгого запуска это воздух в топливной системе. Начните поиск с самого корпуса топливного фильтра, т.е. с лягушки. Если крышка топливного фильтра с подогревом, то проблема скорее всего в ней. Если же стоит обычный корпус топливного фильтра, без подогрева, то перед запуском покачайте лягушкой, причем если там есть воздух это будет чувствоваться сразу. ну а дальше по всем шлангам, трубкам от ТНВД до бака.
Проверить в чем проблема можете сами. Заведете движок, прогреете до рабочей температуры, затем заглушите двигло. Отключите полностью подачу напряжения на свечи накала. И запускайте движок совсем без системы прогрева. Если без свечей двигло запустится что называется с пол оборота, то подозрение именно на систему прогрева свечей, а если запустится после долгой прокрутки стартером, или и того хуже вообще не заведется, то проблема в самом движке, т.е воздух в системе, У.О.В. , распыл форсунок, компрессия.
Pajero II 91 г.в. 5 дв. 4D56Т Intercooler. МТ. SS. 4,875. Cooper ST 33/12.5 r15 Бодик 55-0. Electric Winch EWS12000lb. Правый руль.
- Ermakoff
- Сообщения: 4275
- Зарегистрирован: 18 фев 2004, 13:11
- Двигатель:: 4D56
- Мой автомобиль(и):: Galloper Exceed`93
- Откуда: Волжский
- Откуда: Пятигорск
- Поблагодарили: 13 раз
- Контактная информация:
Re: вопрос по системе накала
Я уж не знаю как у вас на быстром прогреве, но у меня на обычной системе к свечам идёт только один провод от силового реле, и блок в этом случае никак не может следить ни за чем, кроме температуры, хоть туда интеловский процессор поставь.AAKun писал(а):Есть, в самом блоке, и следит он за всем на столько, что я уже заманался искать че не нравится, а с неоригинальными свечами вообще не какие танцы с бубнами не помогут...именно от температуры ОЖ! ибо больше никаких следящих органов у блока управления нет, и тем более отследить сопротивление свечей... посмотрите на схему
Свечи оригинальные но у меня щелкают постоянно... Боюсь такими темпами и от свечей скоро уже не чего не останется, только новые все купил...
Если у человека нет чувства юмора, у него по крайней мере должно быть чувство, что у него нет чувства юмора.
- kolchugin
- Сообщения: 947
- Зарегистрирован: 13 мар 2008, 07:34
- Двигатель:: 4D56T
- Мой автомобиль(и):: Pajero II
- Откуда: Кольчугино Владимирская обл. (33)
- Благодарил (а): 2 раза
- Поблагодарили: 47 раз
Re: вопрос по системе накала
На системе с двумя реле к свечам идет несколько проводов, подачи напряжения на них и контроля. Поэтому эта система самая капризная. Все зависит от сопротивления самих свечей, поэтому с неоригинальными толком и не работает.Ermakoff писал(а):Я уж не знаю как у вас на быстром прогреве, но у меня на обычной системе к свечам идёт только один провод от силового реле, и блок в этом случае никак не может следить ни за чем, кроме температуры, хоть туда интеловский процессор поставь.
Pajero II 91 г.в. 5 дв. 4D56Т Intercooler. МТ. SS. 4,875. Cooper ST 33/12.5 r15 Бодик 55-0. Electric Winch EWS12000lb. Правый руль.
- Nbf
- Дикий Админ
- Сообщения: 27652
- Зарегистрирован: 30 авг 2006, 17:58
- Двигатель:: 4D56t,
- Мой автомобиль(и):: L200'Беззубик Citroen'Мария
- Откуда: из тех ворот, что и весь народ
- Откуда: Ст.Купавна, Балашиха-1
- Благодарил (а): 1124 раза
- Поблагодарили: 1461 раз
- Контактная информация:
Re: вопрос по системе накала
Поверь, на системе с двумя реле много всего интересного.Ermakoff писал(а):Я уж не знаю как у вас на быстром прогреве
У меня на прогретом двигателе пуск мгновенный. Летом - без свечей (до +7 где-то). А вот зимой -долгие маслания и т.п. И началось это после ремонта блока, как я сейчас только сообразил - первую зиму после покупки заводился после недели простоя на минус 25 со второго раза. При минус 18 пускался с брелка в 101% случаев. А вот в прошлую зиму - после минус 15 я уже оставлял на стоянке ключи, что бы грели машину, ибо после 4 часов на такой температуре пуск стал возможен только с паяльной лампой.kolchugin писал(а):Если без свечей двигло запустится что называется с пол оборота, то подозрение именно на систему прогрева свечей,
Так и пришел к 11в. свечам и кнопке - после чего доездил зиму без всяких проблем с пуском, пока этой уже осенью не залипла эта самая чертова кнопка...
Павел.
Терпение и труд - мне не идут!
______________
L-200, '08, SS, АКПП, 4D56t, MT 285/75/16, EW-12000.
тел. (Ч95)6Ч2ЗО92
Юридические услуги http://www.expertcity.ru
Группа Паджеро в ТГ: https://t.me/pajeroclubru
Группа Паджеро в VK: https://vk.com/pajerorussia
Терпение и труд - мне не идут!
______________
L-200, '08, SS, АКПП, 4D56t, MT 285/75/16, EW-12000.
тел. (Ч95)6Ч2ЗО92
Юридические услуги http://www.expertcity.ru
Группа Паджеро в ТГ: https://t.me/pajeroclubru
Группа Паджеро в VK: https://vk.com/pajerorussia
- Ermakoff
- Сообщения: 4275
- Зарегистрирован: 18 фев 2004, 13:11
- Двигатель:: 4D56
- Мой автомобиль(и):: Galloper Exceed`93
- Откуда: Волжский
- Откуда: Пятигорск
- Поблагодарили: 13 раз
- Контактная информация:
Re: вопрос по системе накала
Я верю, но исправная система QG работает отлично у многих моих знакомых на П-2, независимо от "север" или "юг" (снова о компетенции японских инженеров). Ничего уж особо хитроумного в системе быстрого накала нет, мне вообще не очень понятно, что там она может "хитро" контролировать, если контролирующая шина сидит на шине запитывания свечей. С контакта 4 на шину свечей подаётся постоянный ток, на контакт 5 идёт инфа о напряжении на шине, ничего космического. Возможно использование неподходящих свечей способно вынести мозг блоку безвозвратно, но сомневаюсь...
Если у человека нет чувства юмора, у него по крайней мере должно быть чувство, что у него нет чувства юмора.
-
Mr_Mahno
- Сообщения: 127
- Зарегистрирован: 09 апр 2011, 21:38
- Двигатель:: 4M40
- Мой автомобиль(и):: PAJEROII V46
- Поблагодарили: 1 раз
- Контактная информация:
Re: вопрос по системе накала
да уж...действительно следит))) тогда вообще выкинуть его к чертям этот блок, если с ума сошел! ставить "самореги" на 11В и простенькое реле времени...можно даже извратиться и привязать его к температуре ОЖ)))
- Ermakoff
- Сообщения: 4275
- Зарегистрирован: 18 фев 2004, 13:11
- Двигатель:: 4D56
- Мой автомобиль(и):: Galloper Exceed`93
- Откуда: Волжский
- Откуда: Пятигорск
- Поблагодарили: 13 раз
- Контактная информация:
Re: вопрос по системе накала
Только надо алгоритм знать чтоб привязаться, блок на обычной системе по сути и есть реле времени, ну плюс ещё поддержку делает какое-то время. Если не знать зависимости или же кнопку давить- то свечи могут стать частым расходником. Хотя комплект обычных даже раз в год к зиме менять совсем не накладно, а в тёплое время он и без свечей нормально заводится.
Если у человека нет чувства юмора, у него по крайней мере должно быть чувство, что у него нет чувства юмора.
-
Mr_Mahno
- Сообщения: 127
- Зарегистрирован: 09 апр 2011, 21:38
- Двигатель:: 4M40
- Мой автомобиль(и):: PAJEROII V46
- Поблагодарили: 1 раз
- Контактная информация:
Re: вопрос по системе накала
так алгоритм простой))) вкл. зажигание - запустился таймер....секунд на 10-15, либо меньше, если датчик ОЖ вмешается
