Нужна эл.схема SRS П4
Модераторы: SNOOPER, Nbf, drcham, Romik, BAlex, DenVer, SoundSpeed
- AK
- Сообщения: 1455
- Зарегистрирован: 22 мар 2007, 11:08
- Двигатель:: 6G74 GDI
- Мой автомобиль(и):: Митцубиси Челенджер
- Откуда: москва
- Благодарил (а): 17 раз
- Поблагодарили: 24 раза
Нужна эл.схема SRS П4
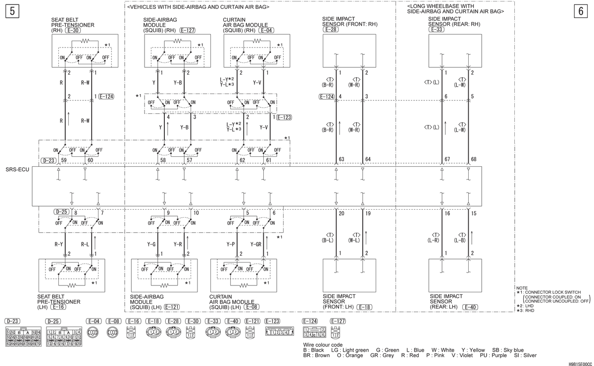
Всем привет! Нужна эл.схема SRS П4 - нужно посмотреть как подушка подключается. Спасибо.
С уважением, Александр.
Челенджер 6G74 GDI, 97г.в., защита Шериф, демпфер Rancho, подвеска ОМЕ, лифт 6 см, силовые пороги зад. бампер от МШУ, Al багажник от DREV, СБ от Кабана, BFG Mud/T 305/70 R16
Паджеро 4 3,2 08 г.в. ждёт апгрейд
Челенджер 6G74 GDI, 97г.в., защита Шериф, демпфер Rancho, подвеска ОМЕ, лифт 6 см, силовые пороги зад. бампер от МШУ, Al багажник от DREV, СБ от Кабана, BFG Mud/T 305/70 R16
Паджеро 4 3,2 08 г.в. ждёт апгрейд
- AK
- Сообщения: 1455
- Зарегистрирован: 22 мар 2007, 11:08
- Двигатель:: 6G74 GDI
- Мой автомобиль(и):: Митцубиси Челенджер
- Откуда: москва
- Благодарил (а): 17 раз
- Поблагодарили: 24 раза
Re: Нужна эл.схема SRS П4
Спасибо. То что нужно. P.s. нужна была схема подушки в рулевом колесе.
С уважением, Александр.
Челенджер 6G74 GDI, 97г.в., защита Шериф, демпфер Rancho, подвеска ОМЕ, лифт 6 см, силовые пороги зад. бампер от МШУ, Al багажник от DREV, СБ от Кабана, BFG Mud/T 305/70 R16
Паджеро 4 3,2 08 г.в. ждёт апгрейд
Челенджер 6G74 GDI, 97г.в., защита Шериф, демпфер Rancho, подвеска ОМЕ, лифт 6 см, силовые пороги зад. бампер от МШУ, Al багажник от DREV, СБ от Кабана, BFG Mud/T 305/70 R16
Паджеро 4 3,2 08 г.в. ждёт апгрейд
