Полез сегодня лампочки менять в блоке климата, вдруг хлоп, и подсветка замолчала...
А я аккуратен был достаточно. Удивился..
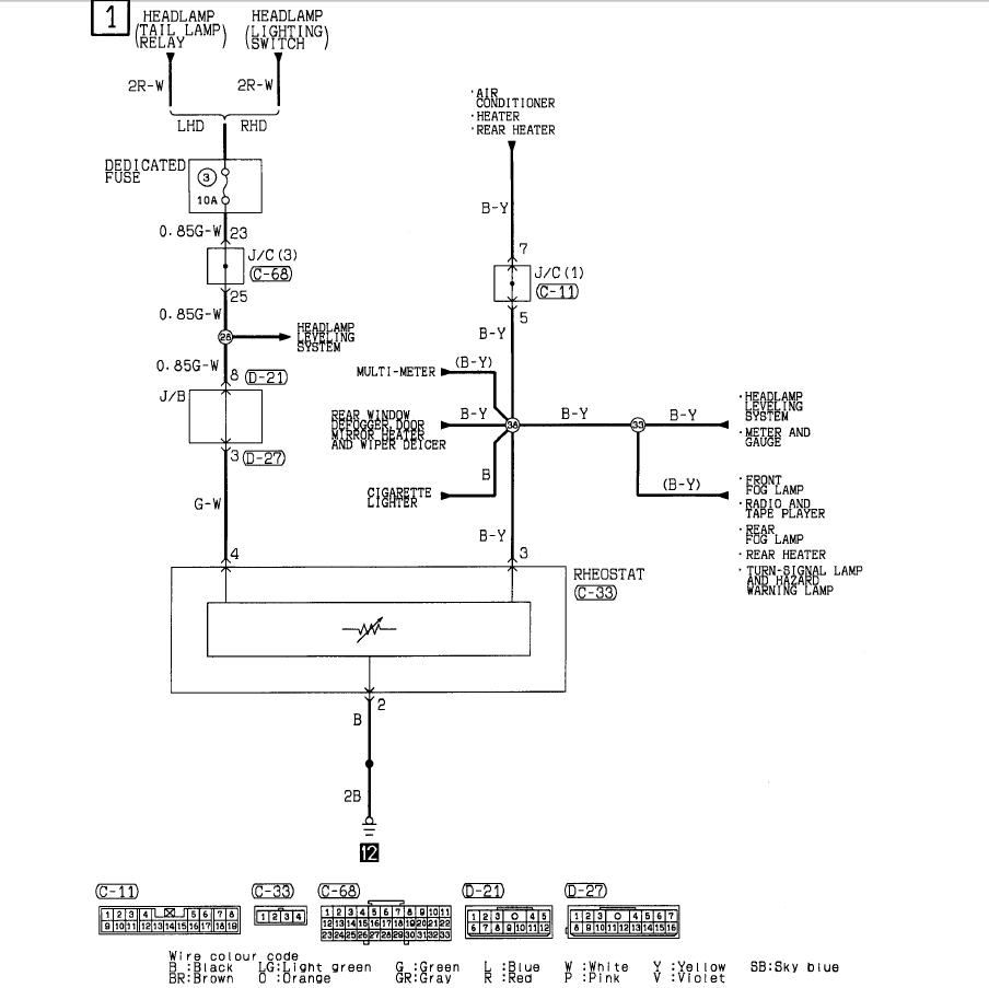
Пред № 3 под капотом помер.. Стал рыскать - че-то внутри приборки коротит.. Ибо горит пред как шевельнешь провода.
Вытаскиваю отгоревший провод на дальнем конце..
Ближний конец пришунтирован к первому зелено-белому проводу от реостатата..
И куда теперь дальний конец?
Схемы нет, да и с электрикой на 3..
-
Сейчас подсветки не горят и поворотники.
Воистину - рука русского мастера только калечит иномарки.. Кто-то заколхозил шунт до меня..
Нужно разобраться.. Поможете, чем кто может?
Домино Трофи 2026 - 25 Апреля - Обсудить и спросить тут.
Провод в приборке отвалился, куда идет? Прошу помощи..
Модераторы: SNOOPER, Nbf, Romik, BAlex
- Roman40
- Сообщения: 30
- Зарегистрирован: 23 мар 2012, 15:48
- Двигатель:: 6G72
- Мой автомобиль(и):: Pajero Sport 2000 МКПП
- Откуда: Калуга
- Благодарил (а): 4 раза
- Поблагодарили: 3 раза
Провод в приборке отвалился, куда идет? Прошу помощи..
МПС 3,0 2000, МКПП, BFG-KM2 265/75/16, Tokico, KYB, камера, Led, задняя дв. не скрипит
Re: Провод в приборке отвалился, куда идет? Прошу помощи..
А дальний конец и идет на этот самый пред № 3. Через пару разъемов по пути.
PS 2.5TD M5 T65 2007 BFG MT 255x70x16
- Roman40
- Сообщения: 30
- Зарегистрирован: 23 мар 2012, 15:48
- Двигатель:: 6G72
- Мой автомобиль(и):: Pajero Sport 2000 МКПП
- Откуда: Калуга
- Благодарил (а): 4 раза
- Поблагодарили: 3 раза
Re: Провод в приборке отвалился, куда идет? Прошу помощи..
Спасибо, дружище!D12 писал(а):А дальний конец и идет на этот самый пред № 3. Через пару разъемов по пути.
Разобрался! Все работает без соплей...
Что за горе-мастер повесил соплю, дальний конец оголен, ближний тоже толком не заизолирован-cкрутка.
Я по панике закоротом ближней скрутки на корпус 3 преда сжег, вот и не работало ни разу..
Да и приборка тускло светит-днем не видно..
Что за провод хз, но я даже как неэлектрик оуеаю..
-
Так что главное в этом деле продуманное хладнокровие!
Снова люблю свой старенький трактор. А электриков как люблю!
МПС 3,0 2000, МКПП, BFG-KM2 265/75/16, Tokico, KYB, камера, Led, задняя дв. не скрипит
