Домино Трофи 2026 - 25 Апреля - Обсудить и спросить тут.
Помогите с ПТФ
Модераторы: SNOOPER, Nbf, Romik, BAlex
-
wizardof
- Сообщения: 1
- Зарегистрирован: 27 май 2012, 15:13
- Двигатель:: 3.0 бензин
- Мой автомобиль(и):: Pajero sport (k90)
Помогите с ПТФ
всем привет , ребят подскажите по одному вопросу , у меня Pajero Sport 2004 года 3 литра бензин европеец , поставил ксенон в ПТФ , работали недели две без проблем , после чего перестали
Думал что сгорел предохранитель , в мануале по автомобилю информации о предохранителях на ПТФ никакой нет , под капотом и под рулем тоже их не нашел
Если кто сталкивался с проблемой подскажите есть ли вообще этот злощасный пред или нет , может он в салоне где то спрятан , не знаю
P.s. релюшка справа в районе пассажирской подушки srs щелкает при включении клавиши противотуманок
Буду признателен за любую помощь и информацию
Думал что сгорел предохранитель , в мануале по автомобилю информации о предохранителях на ПТФ никакой нет , под капотом и под рулем тоже их не нашел
Если кто сталкивался с проблемой подскажите есть ли вообще этот злощасный пред или нет , может он в салоне где то спрятан , не знаю
P.s. релюшка справа в районе пассажирской подушки srs щелкает при включении клавиши противотуманок
Буду признателен за любую помощь и информацию
- Captain Sergio
- Сообщения: 4557
- Зарегистрирован: 30 янв 2012, 22:01
- Двигатель:: 4G18
- Мой автомобиль(и):: Pajero Пинин, 1999, АКПП, BMW X5
- Откуда: Ульяновск
- Благодарил (а): 264 раза
- Поблагодарили: 346 раз
Re: Помогите с ПТФ
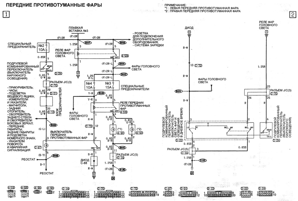
Лови схему. Разберешься надеюсь.
Сергей. Все будет хорошо! Грязезащита для рамных автомобилей.
- Captain Sergio
- Сообщения: 4557
- Зарегистрирован: 30 янв 2012, 22:01
- Двигатель:: 4G18
- Мой автомобиль(и):: Pajero Пинин, 1999, АКПП, BMW X5
- Откуда: Ульяновск
- Благодарил (а): 264 раза
- Поблагодарили: 346 раз
Re: Помогите с ПТФ
[quote="wizardof"]всем привет , ребят подскажите по одному вопросу , у меня Pajero Sport 2004 года 3 литра бензин европеец , поставил ксенон в ПТФ , работали недели две без проблем , после чего перестали Думал что сгорел предохранитель , в мануале по автомобилю информации о предохранителях на ПТФ никакой нет , под капотом и под рулем тоже их не нашел Если кто сталкивался с проблемой подскажите есть ли вообще этот злощасный пред или нет , может он в салоне где то спрятан , не знаю P.s. релюшка справа в районе пассажирской подушки srs щелкает при включении клавиши противотуманок
Вообще релюшка вроде под капотом должна быть.
Вообще релюшка вроде под капотом должна быть.
Сергей. Все будет хорошо! Грязезащита для рамных автомобилей.
- Captain Sergio
- Сообщения: 4557
- Зарегистрирован: 30 янв 2012, 22:01
- Двигатель:: 4G18
- Мой автомобиль(и):: Pajero Пинин, 1999, АКПП, BMW X5
- Откуда: Ульяновск
- Благодарил (а): 264 раза
- Поблагодарили: 346 раз
Re: Помогите с ПТФ
У самого не работали ПТФы с покупки. Точнее мне их отдельно отдали. Поставил - не горят. Сегодня было время - решил разобраться. Схема приведенная выше не подходит к моему автомобилю. Нашел свою. Разобрался. Так вот - релюшки на ПТФ у меня вообще нет. Все напрямую. Поэтому подгорел контакт на переключателе - разобрал, почистил. И предохранитель сгорел. Висел отдельно слева под торпедой у салонного блока предохранителей. А твое реле стоит под капотом как раз посередине между реле стартера и реле головного света. У меня там дыра. Предохранитель у Тебя там же. На 15А. Фотку прилагаю. Такие вот дела.
Сергей. Все будет хорошо! Грязезащита для рамных автомобилей.
-
Sanche29rus
- Сообщения: 432
- Зарегистрирован: 22 май 2011, 20:57
- Двигатель:: бензин
- Мой автомобиль(и):: Pajero 2 3.0 24V 99г.в.
- Откуда: Северодвинск
- Откуда: Северодвинск
- Благодарил (а): 3 раза
Re: Помогите с ПТФ
не показаться бы дураком. но второй день мучаюсь с передними туманками, и никуя понять не могу. Собствено сабж: вкл. туманки передние(только нажатием кнопочи, всё остальное выкл.), не горят(габариты загораются, подсветка панели тоже)., снимаю туманку, включаю напрямую от акума, работает. ставлю обратно никуя. излазил весь форум, всю книгу, предохранителя на туманки передние найти не могу. что за фигня.?? куда копать??? машина в подписи 
в этих схемах нифига не врубаю. где это рэле?? и где пред искать. всё уже перекопал
в этих схемах нифига не врубаю. где это рэле?? и где пред искать. всё уже перекопал
Последний раз редактировалось Sanche29rus 17 авг 2012, 21:02, всего редактировалось 1 раз.
MAZDA 3 "спорт", 2.0 150л.с, 2005г.в. продана.
Паджеро 2, рестаил, 99г.в. 3.0 6G72 24V, супер-селект, АКПП, кожа-рожа
Паджеро 2, рестаил, 99г.в. 3.0 6G72 24V, супер-селект, АКПП, кожа-рожа
- kyzya11
- Сообщения: 9219
- Зарегистрирован: 07 июл 2009, 14:13
- Двигатель:: 6G74
- Мой автомобиль(и):: был Montero Shprot 3.5 AWD
- Откуда: 77
- Благодарил (а): 422 раза
- Поблагодарили: 239 раз
Re: Помогите с ПТФ
в что происходит если их включать при положении включенный ближний свет? 
был MMS XLS '02, AWD, 6G74, МТ32, Т-Max 6500
Славик.
Славик.
-
Sanche29rus
- Сообщения: 432
- Зарегистрирован: 22 май 2011, 20:57
- Двигатель:: бензин
- Мой автомобиль(и):: Pajero 2 3.0 24V 99г.в.
- Откуда: Северодвинск
- Откуда: Северодвинск
- Благодарил (а): 3 раза
Re: Помогите с ПТФ
ничего. свет горит а туманки нет. бывший владелец говорил, что намучался с ними, сделает погорят, потом опять нет.kyzya11 писал(а):в что происходит если их включать при положении включенный ближний свет?
MAZDA 3 "спорт", 2.0 150л.с, 2005г.в. продана.
Паджеро 2, рестаил, 99г.в. 3.0 6G72 24V, супер-селект, АКПП, кожа-рожа
Паджеро 2, рестаил, 99г.в. 3.0 6G72 24V, супер-селект, АКПП, кожа-рожа
- kyzya11
- Сообщения: 9219
- Зарегистрирован: 07 июл 2009, 14:13
- Двигатель:: 6G74
- Мой автомобиль(и):: был Montero Shprot 3.5 AWD
- Откуда: 77
- Благодарил (а): 422 раза
- Поблагодарили: 239 раз
Re: Помогите с ПТФ
ну смотри релюшку и предохранители
все должно быть в коробке под капотом
все должно быть в коробке под капотом
был MMS XLS '02, AWD, 6G74, МТ32, Т-Max 6500
Славик.
Славик.
-
Sanche29rus
- Сообщения: 432
- Зарегистрирован: 22 май 2011, 20:57
- Двигатель:: бензин
- Мой автомобиль(и):: Pajero 2 3.0 24V 99г.в.
- Откуда: Северодвинск
- Откуда: Северодвинск
- Благодарил (а): 3 раза
Re: Помогите с ПТФ
дак вот я догадываюсь, но не могу инфы найти где именно это рэле и какой именно пред. под капотоом преды все целы. НО одного не хватает
MAZDA 3 "спорт", 2.0 150л.с, 2005г.в. продана.
Паджеро 2, рестаил, 99г.в. 3.0 6G72 24V, супер-селект, АКПП, кожа-рожа
Паджеро 2, рестаил, 99г.в. 3.0 6G72 24V, супер-селект, АКПП, кожа-рожа
-
Sanche29rus
- Сообщения: 432
- Зарегистрирован: 22 май 2011, 20:57
- Двигатель:: бензин
- Мой автомобиль(и):: Pajero 2 3.0 24V 99г.в.
- Откуда: Северодвинск
- Откуда: Северодвинск
- Благодарил (а): 3 раза
Re: Помогите с ПТФ
вот у меня вроде мотор такой же, а коробка с предами под капотом не такая!Captain Sergio писал(а):У самого не работали ПТФы с покупки. Точнее мне их отдельно отдали. Поставил - не горят. Сегодня было время - решил разобраться. Схема приведенная выше не подходит к моему автомобилю. Нашел свою. Разобрался. Так вот - релюшки на ПТФ у меня вообще нет. Все напрямую. Поэтому подгорел контакт на переключателе - разобрал, почистил. И предохранитель сгорел. Висел отдельно слева под торпедой у салонного блока предохранителей. А твое реле стоит под капотом как раз посередине между реле стартера и реле головного света. У меня там дыра. Предохранитель у Тебя там же. На 15А. Фотку прилагаю. Такие вот дела.
MAZDA 3 "спорт", 2.0 150л.с, 2005г.в. продана.
Паджеро 2, рестаил, 99г.в. 3.0 6G72 24V, супер-селект, АКПП, кожа-рожа
Паджеро 2, рестаил, 99г.в. 3.0 6G72 24V, супер-селект, АКПП, кожа-рожа
- Captain Sergio
- Сообщения: 4557
- Зарегистрирован: 30 янв 2012, 22:01
- Двигатель:: 4G18
- Мой автомобиль(и):: Pajero Пинин, 1999, АКПП, BMW X5
- Откуда: Ульяновск
- Благодарил (а): 264 раза
- Поблагодарили: 346 раз
Re: Помогите с ПТФ
У меня Паджеро Спорт. Поэтому разница. Попробуй посмотреть сам выключатель. У меня в нем была проблема. При этом подсветка и ближний включалась, а вот сами противотуманки нет - подгорел один из контактов переключателя.
Сергей. Все будет хорошо! Грязезащита для рамных автомобилей.
-
Sanche29rus
- Сообщения: 432
- Зарегистрирован: 22 май 2011, 20:57
- Двигатель:: бензин
- Мой автомобиль(и):: Pajero 2 3.0 24V 99г.в.
- Откуда: Северодвинск
- Откуда: Северодвинск
- Благодарил (а): 3 раза
Re: Помогите с ПТФ
будем пробовать. а что в выключателе замкнуть чтоб проверить?
MAZDA 3 "спорт", 2.0 150л.с, 2005г.в. продана.
Паджеро 2, рестаил, 99г.в. 3.0 6G72 24V, супер-селект, АКПП, кожа-рожа
Паджеро 2, рестаил, 99г.в. 3.0 6G72 24V, супер-селект, АКПП, кожа-рожа
- Captain Sergio
- Сообщения: 4557
- Зарегистрирован: 30 янв 2012, 22:01
- Двигатель:: 4G18
- Мой автомобиль(и):: Pajero Пинин, 1999, АКПП, BMW X5
- Откуда: Ульяновск
- Благодарил (а): 264 раза
- Поблагодарили: 346 раз
Re: Помогите с ПТФ
Схему надо. Так сложно. Ты разбери - все увидишь. Прозвони прибором. У меня было 6 контактов. Два из них - подсветка кнопки. Туда приходит масса и +12В при включении габаритов. Остальные четыре - два раздельных выключателя. Т.е при изменении положения переключателя две пары контактов либо замыкаются, либо размыкаются. Один на включение габаритов, второй на включение ПТФ. Возможно у Тебя также. Попробуй найти схему. Так точнее можно сказать. Если не найдешь - пиши, я попробую поискать.Sanche29rus писал(а):будем пробовать. а что в выключателе замкнуть чтоб проверить?
Сергей. Все будет хорошо! Грязезащита для рамных автомобилей.
-
Sanche29rus
- Сообщения: 432
- Зарегистрирован: 22 май 2011, 20:57
- Двигатель:: бензин
- Мой автомобиль(и):: Pajero 2 3.0 24V 99г.в.
- Откуда: Северодвинск
- Откуда: Северодвинск
- Благодарил (а): 3 раза
Re: Помогите с ПТФ
да вот где то видал, надо вспоминать. а вообще я с тестером на вы)))) а релюхи точно на проивотуманки нет??? попробую ещё клавишу от задних туманок запитать))
MAZDA 3 "спорт", 2.0 150л.с, 2005г.в. продана.
Паджеро 2, рестаил, 99г.в. 3.0 6G72 24V, супер-селект, АКПП, кожа-рожа
Паджеро 2, рестаил, 99г.в. 3.0 6G72 24V, супер-селект, АКПП, кожа-рожа
-
Sanche29rus
- Сообщения: 432
- Зарегистрирован: 22 май 2011, 20:57
- Двигатель:: бензин
- Мой автомобиль(и):: Pajero 2 3.0 24V 99г.в.
- Откуда: Северодвинск
- Откуда: Северодвинск
- Благодарил (а): 3 раза
Re: Помогите с ПТФ
чёт нифига разрулить вопрос не могу
MAZDA 3 "спорт", 2.0 150л.с, 2005г.в. продана.
Паджеро 2, рестаил, 99г.в. 3.0 6G72 24V, супер-селект, АКПП, кожа-рожа
Паджеро 2, рестаил, 99г.в. 3.0 6G72 24V, супер-селект, АКПП, кожа-рожа
- Игорь-Т
- Сообщения: 60
- Зарегистрирован: 12 май 2012, 20:53
- Двигатель:: Дизель, 4D56
- Мой автомобиль(и):: Padjero Sport I
- Откуда: Москва
- Благодарил (а): 1 раз
- Контактная информация:
Re: Помогите с ПТФ
Один в один проблемы как у меня на Спорте. Подсветка, габариты, ближний горят, а ПТФ нет.
Может правда дело в кнопке? Надо мне её проверить.
Может правда дело в кнопке? Надо мне её проверить.
Паджеро Спорт, ТД, 4D56, 99 Нр, 2007 г., МКПП, 2 АКБ, кондёр.
-
Sanche29rus
- Сообщения: 432
- Зарегистрирован: 22 май 2011, 20:57
- Двигатель:: бензин
- Мой автомобиль(и):: Pajero 2 3.0 24V 99г.в.
- Откуда: Северодвинск
- Откуда: Северодвинск
- Благодарил (а): 3 раза
Re: Помогите с ПТФ
давай проверь, потом отпиши как проверял. я в электрике не бум-бумИгорь-Т писал(а):Один в один проблемы как у меня на Спорте. Подсветка, габариты, ближний горят, а ПТФ нет.
Может правда дело в кнопке? Надо мне её проверить.
MAZDA 3 "спорт", 2.0 150л.с, 2005г.в. продана.
Паджеро 2, рестаил, 99г.в. 3.0 6G72 24V, супер-селект, АКПП, кожа-рожа
Паджеро 2, рестаил, 99г.в. 3.0 6G72 24V, супер-селект, АКПП, кожа-рожа
- Игорь-Т
- Сообщения: 60
- Зарегистрирован: 12 май 2012, 20:53
- Двигатель:: Дизель, 4D56
- Мой автомобиль(и):: Padjero Sport I
- Откуда: Москва
- Благодарил (а): 1 раз
- Контактная информация:
Re: Помогите с ПТФ
Все так и есть. Был на сервисе, подплавились контакты на кнопке. Зачистили и все заработало. Надо бы другую кнопку приобрести.
Паджеро Спорт, ТД, 4D56, 99 Нр, 2007 г., МКПП, 2 АКБ, кондёр.
-
Sanche29rus
- Сообщения: 432
- Зарегистрирован: 22 май 2011, 20:57
- Двигатель:: бензин
- Мой автомобиль(и):: Pajero 2 3.0 24V 99г.в.
- Откуда: Северодвинск
- Откуда: Северодвинск
- Благодарил (а): 3 раза
Re: Помогите с ПТФ
нее, кнопка у меня новая стоит((
MAZDA 3 "спорт", 2.0 150л.с, 2005г.в. продана.
Паджеро 2, рестаил, 99г.в. 3.0 6G72 24V, супер-селект, АКПП, кожа-рожа
Паджеро 2, рестаил, 99г.в. 3.0 6G72 24V, супер-селект, АКПП, кожа-рожа
- SNOOPER
- Модератор
- Сообщения: 57351
- Зарегистрирован: 11 дек 2004, 19:49
- Двигатель:: 4D56
- Мой автомобиль(и):: NewMPS
- Откуда: 78
- Откуда: Spb
- Благодарил (а): 1023 раза
- Поблагодарили: 4772 раза
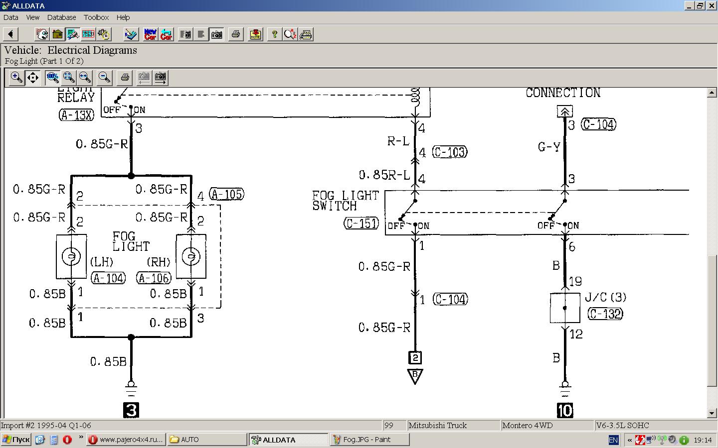
Re: Помогите с ПТФ
Вот реле и схема. Думаю поможетSanche29rus писал(а):да вот где то видал, надо вспоминать. а вообще я с тестером на вы)))) а релюхи точно на проивотуманки нет??? попробую ещё клавишу от задних туманок запитать))
