Домино Трофи 2026 - 25 Апреля - Обсудить и спросить тут.
Задние габариты
Модераторы: SNOOPER, Nbf, Romik, BAlex
-
gaidan
- Сообщения: 1
- Зарегистрирован: 13 апр 2011, 18:13
- Двигатель:: 4D56LD2242
- Мой автомобиль(и):: PAJERO SPORT 2.5D 99 л.с.
Задние габариты
Привет все. У меня такая проблема перестали гореть задние габариты. Мерил тестером 12 вольт есть как только лампочку подключаешь пропадают. Стоп сигнал при этом работает как надо. Сначала из строя вышел лев.зад. габарит и через 3 месяца правый... Если кто сталкивался с такой проблемой помогите
.
- Captain Sergio
- Сообщения: 4557
- Зарегистрирован: 30 янв 2012, 22:01
- Двигатель:: 4G18
- Мой автомобиль(и):: Pajero Пинин, 1999, АКПП, BMW X5
- Откуда: Ульяновск
- Благодарил (а): 264 раза
- Поблагодарили: 346 раз
Re: Задние габариты
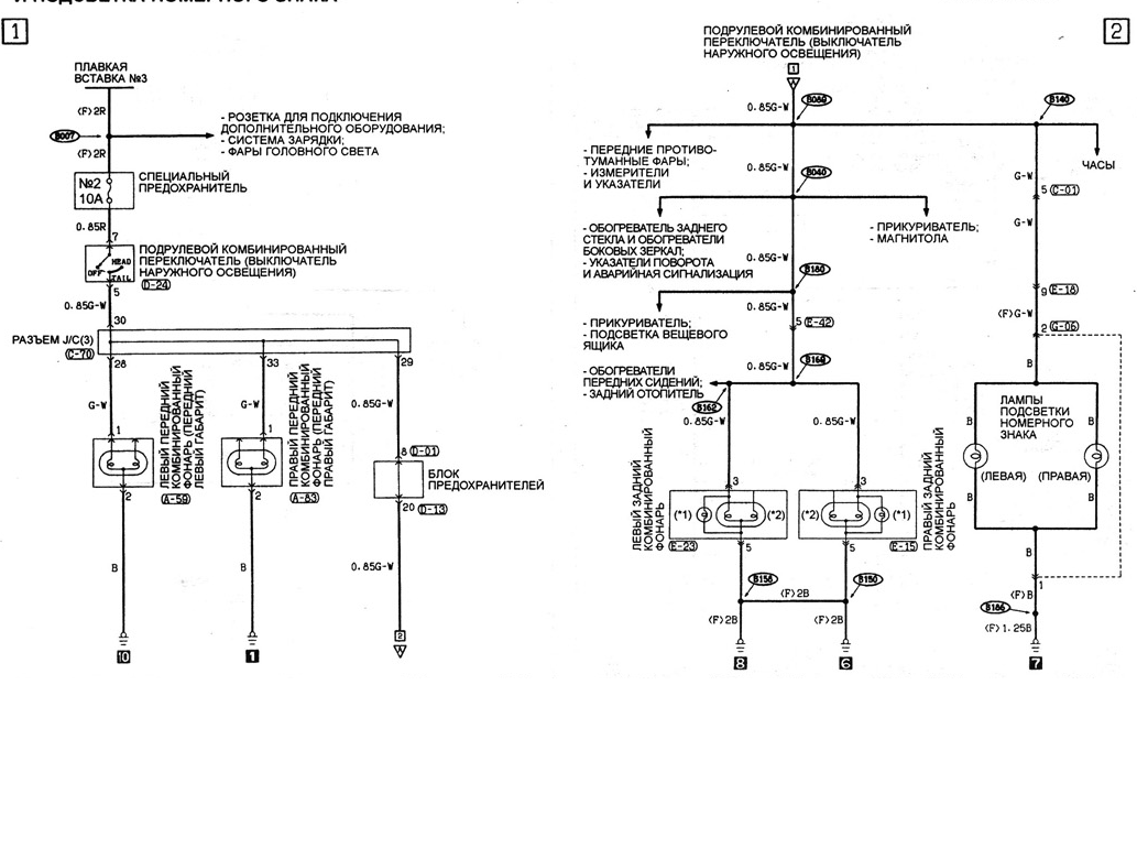
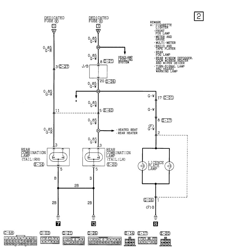
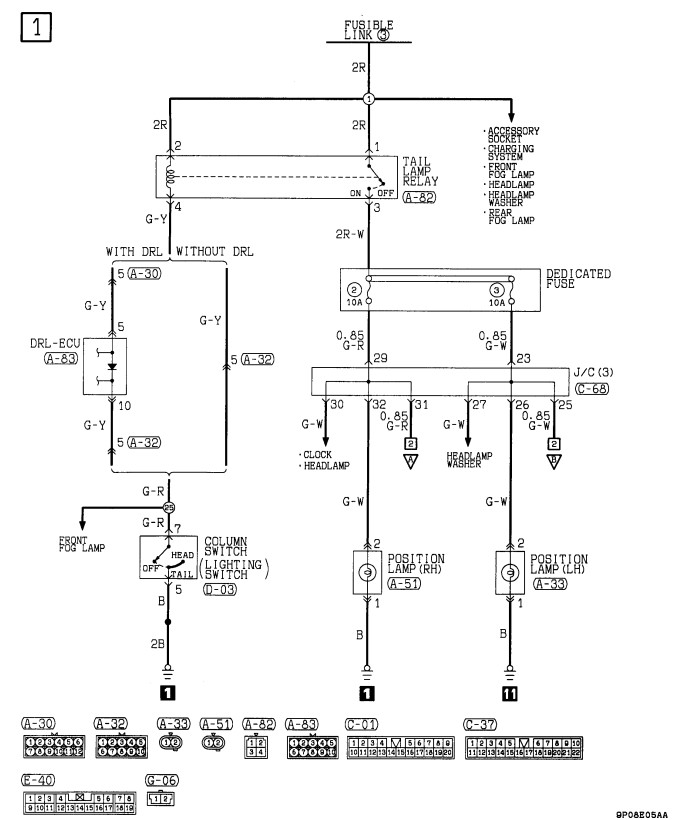
Там коммутируется +12В. Масса - общая со стоп сигналами. Стоп сигналы нрмально работают? Попробуй повключать передние противотуманки. При этом габариты также должны включаться. Посмотри еще - подсветка номерного знака горит или нет? Отпишись - я по схеме гляну. Сзему кстати скинуть?
Сергей. Все будет хорошо! Грязезащита для рамных автомобилей.
- Captain Sergio
- Сообщения: 4557
- Зарегистрирован: 30 янв 2012, 22:01
- Двигатель:: 4G18
- Мой автомобиль(и):: Pajero Пинин, 1999, АКПП, BMW X5
- Откуда: Ульяновск
- Благодарил (а): 264 раза
- Поблагодарили: 346 раз
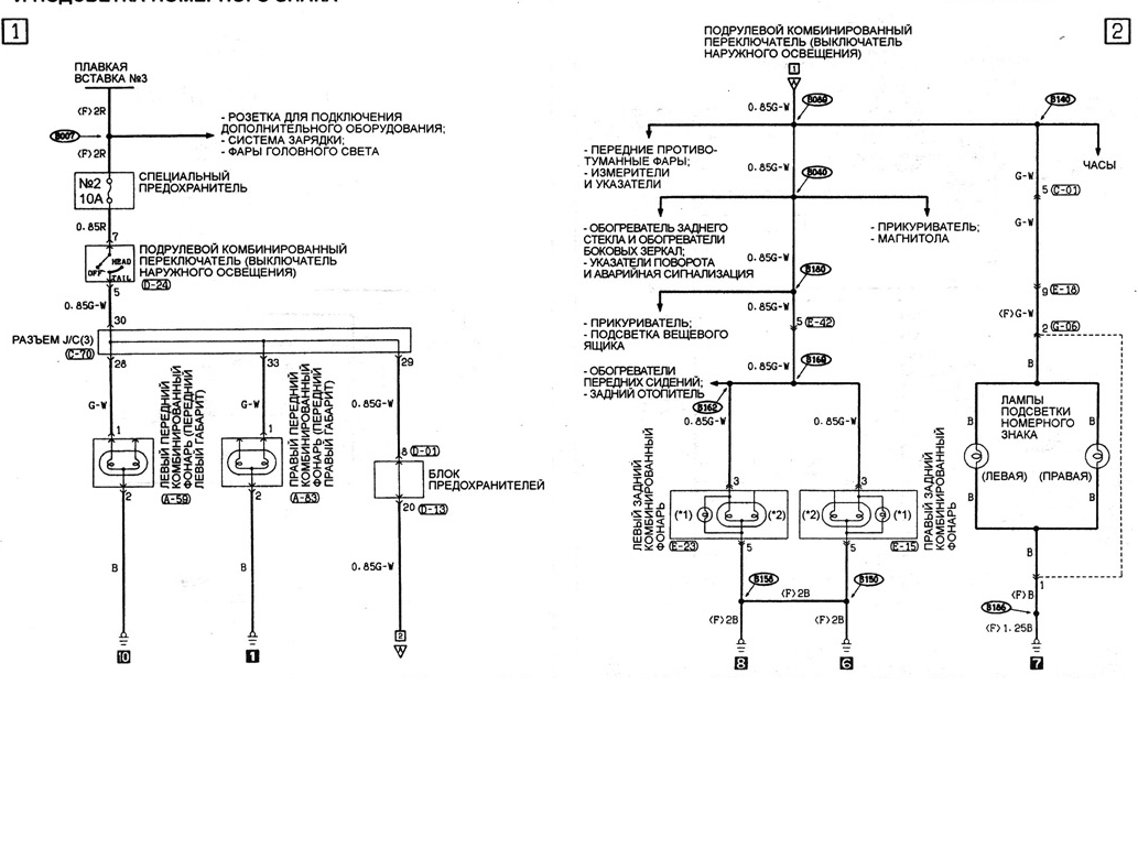
Re: Задние габариты
Лови схему. Будут вопросы - пиши.
Сергей. Все будет хорошо! Грязезащита для рамных автомобилей.
-
vadym
- Сообщения: 1457
- Зарегистрирован: 12 сен 2007, 00:50
- Откуда: Черновцы
- Благодарил (а): 12 раз
- Поблагодарили: 120 раз
Re: Задние габариты
Эта схема может не подойти.Captain Sergio писал(а):Лови схему. Будут вопросы - пиши.
Для МПС 2.5 ТД. с 99 года идет другая схема, задние габариты левый и правый в ней запитаны через два раздельных предохранителя, если не работают сразу оба габарита, наверное нектонтакт не по проводам питания +12, а скорее всего в проводке, что идет на массу.
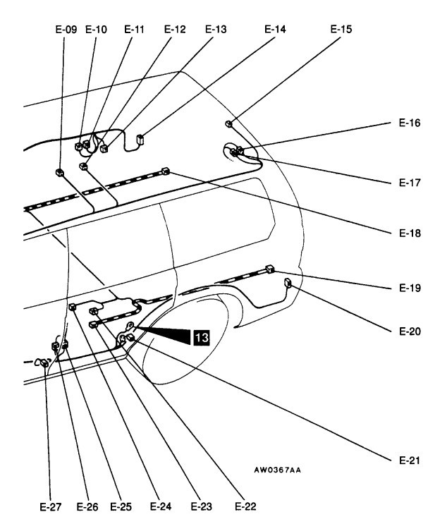
Точки соединения с массой 7 и 13 находятся перед задними колесами в районе арок.
PAJERO SPORT 2003 2,5 TD
