TRT - Вдоль р.Киржач. Для стандартных 4х4 (08.11.25) Форум Обсуждение FAQ
перегорает пред, отключается кондер и вентилятор
Модераторы: SNOOPER, Nbf, Romik, BAlex
-
ОлегМ76
- Сообщения: 31
- Зарегистрирован: 24 апр 2012, 08:23
- Двигатель:: 4D56
- Мой автомобиль(и):: NMPS 2,5
- Откуда: Челябинск
- Откуда: Челябинск
- Поблагодарили: 1 раз
перегорает пред, отключается кондер и вентилятор
Может кто сталкивался, перегорает предохранитель 7,5А, который находится в блоке в салоне, в книжке он под номером 16 для защиты какого-то РЕЛЕ. Когда меняю пред, его хватает буквально минут на десять и опять горит. В авто на этот момент не работает - кондер, вентилятор печки! Может кто подскажет где рыть?!
- CoolBDW
- Сообщения: 3630
- Зарегистрирован: 20 янв 2010, 10:11
- Двигатель:: 4D56
- Мой автомобиль(и):: был - NMPS 2010 2.5 TD 5AT S04
- Откуда: Тула
- Откуда: Тула
- Благодарил (а): 210 раз
- Поблагодарили: 284 раза
Re: перегорает пред, отключается кондер и вентилятор
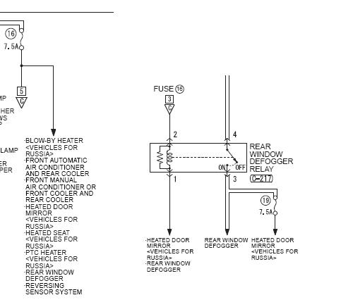
Вот картинка, смотрите указанные цепиОлегМ76 писал(а):Может кто сталкивался, перегорает предохранитель 7,5А, который находится в блоке в салоне, в книжке он под номером 16 для защиты какого-то РЕЛЕ. Когда меняю пред, его хватает буквально минут на десять и опять горит. В авто на этот момент не работает - кондер, вентилятор печки! Может кто подскажет где рыть?!
Дмитрий
было когда-то:
NMPS 2010 2.5 TD 5AT чёрный
Webasto, Multitronics VC731, DRL, RedPower 8994, FGC, без EGR (+заглушка -фишка)
Yokohama G012 & F700Z 265/65R17, пружины от Влада
было когда-то:
NMPS 2010 2.5 TD 5AT чёрный
Webasto, Multitronics VC731, DRL, RedPower 8994, FGC, без EGR (+заглушка -фишка)
Yokohama G012 & F700Z 265/65R17, пружины от Влада
-
ОлегМ76
- Сообщения: 31
- Зарегистрирован: 24 апр 2012, 08:23
- Двигатель:: 4D56
- Мой автомобиль(и):: NMPS 2,5
- Откуда: Челябинск
- Откуда: Челябинск
- Поблагодарили: 1 раз
Re: перегорает пред, отключается кондер и вентилятор
Дим, если-бы я еще что-то варил в этом электричестве!?
- CoolBDW
- Сообщения: 3630
- Зарегистрирован: 20 янв 2010, 10:11
- Двигатель:: 4D56
- Мой автомобиль(и):: был - NMPS 2010 2.5 TD 5AT S04
- Откуда: Тула
- Откуда: Тула
- Благодарил (а): 210 раз
- Поблагодарили: 284 раза
Re: перегорает пред, отключается кондер и вентилятор
Если гарантийная - тогда к ОД, пусть он и смотрит. Но надежда на них та ещё...ОлегМ76 писал(а):Дим, если-бы я еще что-то варил в этом электричестве!?
Тогда смотри, указаны следующие цепи:
- Обогрев сапуна вентиляции двигателя
- Кондишен
- Обогрев зеркал
- Подгрев сидений
- Электротэны подогрева воздуха
- Обогрев заднего стекла
- Задний парктроник
Данный пред используется в управляющих цепях перечисленных узлов. Где-то в них что-то неладное, что управляющая цепь коротит.
Для начала, самое напрашивающееся. Если у ОД недавно удаляли подогрев сапуна вентилляции двигателя (вот тема - http://www.pajero4x4.ru/bbs/phpBB2/view ... 81&t=86975), то могли обрезанные провода коротнуть между собой под капотом (заизолировали, а они контачат) или на массу плюс и т.д., а силовой пред и реле не вытащили. Тогда такая ситуация вполне возможна. Или, например, с реле что-то не то сделали - поломали, когда вытаскивали, перемычку (зачем?) поставили - фиг его знает. В общем, я бы для начала посмотрел именно на этот подогрев. Все фотки где и что находится есть в приведённой теме.
Если не удаляли - смотреть все указанные цепи на предмет корректности работы. Можно вынуть все соответствующие "силовые" предохранители, потом последовательно вставлять и смотреть - будет этот №16 страдать или нет. Так можно вычислить цепь, в которой неисправность. Если вставил обратно силовой того же подогрева зеркал, включил его - всё нормально, то цепь не эта. Вынимаешь обратно и ставишь следующий....
Все "силовые" преды расписаны в родной книжке - руководству по эксплуатации.
Удачи!
Дмитрий
было когда-то:
NMPS 2010 2.5 TD 5AT чёрный
Webasto, Multitronics VC731, DRL, RedPower 8994, FGC, без EGR (+заглушка -фишка)
Yokohama G012 & F700Z 265/65R17, пружины от Влада
было когда-то:
NMPS 2010 2.5 TD 5AT чёрный
Webasto, Multitronics VC731, DRL, RedPower 8994, FGC, без EGR (+заглушка -фишка)
Yokohama G012 & F700Z 265/65R17, пружины от Влада
-
ОлегМ76
- Сообщения: 31
- Зарегистрирован: 24 апр 2012, 08:23
- Двигатель:: 4D56
- Мой автомобиль(и):: NMPS 2,5
- Откуда: Челябинск
- Откуда: Челябинск
- Поблагодарили: 1 раз
Re: перегорает пред, отключается кондер и вентилятор
в авто вообще не лазили, еще ТО даже не проходил, и пред сразу не горит, проходит минут 10-15 езды с вентилятором печки или кондером и сгорает
- CoolBDW
- Сообщения: 3630
- Зарегистрирован: 20 янв 2010, 10:11
- Двигатель:: 4D56
- Мой автомобиль(и):: был - NMPS 2010 2.5 TD 5AT S04
- Откуда: Тула
- Откуда: Тула
- Благодарил (а): 210 раз
- Поблагодарили: 284 раза
Re: перегорает пред, отключается кондер и вентилятор
Ну, даже в новый авто перед продажей лазят. Я бы сказал - обязательно залезут, т.к. должна быть предпродажка. В ходе которой и сервисные кампании в т.ч. выполняют. ДО передачи авто клиенту при покупке.ОлегМ76 писал(а):в авто вообще не лазили, еще ТО даже не проходил,
А сигнализацию/вебасту/дистанционный запуск/музыку ставил? При любой из этих операций 100% полезут в торпеду, где вполне себе могут пережать проводок от климата какой, или подключиться к климату некорректно.
Напрягай ОД - машина, как я понял, новая. Вообще - ситуация потенциально опасная, пусть ищут, если машина на гарантии. Гляди только, чтобы пред тупо не поменяли на бОльший по номиналу или цепь какую обесточили, с них станется...ОлегМ76 писал(а): и пред сразу не горит, проходит минут 10-15 езды с вентилятором печки или кондером и сгорает
Дмитрий
было когда-то:
NMPS 2010 2.5 TD 5AT чёрный
Webasto, Multitronics VC731, DRL, RedPower 8994, FGC, без EGR (+заглушка -фишка)
Yokohama G012 & F700Z 265/65R17, пружины от Влада
было когда-то:
NMPS 2010 2.5 TD 5AT чёрный
Webasto, Multitronics VC731, DRL, RedPower 8994, FGC, без EGR (+заглушка -фишка)
Yokohama G012 & F700Z 265/65R17, пружины от Влада
