TRT - Вдоль р.Киржач. Для стандартных 4х4 (08.11.25) Форум Обсуждение FAQ
Отказали сразу все амортизаторы ....
Модераторы: SNOOPER, Nbf, Romik, BAlex, drcham, алексей - Маленький Мук
-
Экскурсовод
- Сообщения: 57
- Зарегистрирован: 01 фев 2014, 22:19
- Двигатель:: 6g72
- Мой автомобиль(и):: Паджеро 2
- Откуда: Москва
Отказали сразу все амортизаторы ....
Всем привет. Авто. паджеро2 97г.в.c регулировкои жесткости амортизаторов. Вчера одновременно перестали работать оба задних амортизатора. А сегодн передние тоже померли. Внеше амортизаторы не изменились масло из них не вытекло. Не каких признаков внехшних повреждени нет.Похоже дело в регулировки жесткости.Кнопка вроде работает. Лампочки на приборке тоже работают(те что паказывают уровень жесткости).Где проблема скрылась?? Подскажите, мож кто знает в чем дело? Тут подобнои темы наити не смог. Все походу сразу ставт обычные амортизатор. Так как есть куча тем про подбор амортиков.
-
Экскурсовод
- Сообщения: 57
- Зарегистрирован: 01 фев 2014, 22:19
- Двигатель:: 6g72
- Мой автомобиль(и):: Паджеро 2
- Откуда: Москва
Re: Отказали сразу все амортизаторы ....
Автомобиль ведет себ просто ужасно , скочит как ненормальныи. качьнешь его разок и он соит прыгает. так какбудто амортизаторы вообще отсутствуют. Ездить так невозможно. Тошнить начинает после 5 мин езды
-
Экскурсовод
- Сообщения: 57
- Зарегистрирован: 01 фев 2014, 22:19
- Двигатель:: 6g72
- Мой автомобиль(и):: Паджеро 2
- Откуда: Москва
- saper31
- Сообщения: 2403
- Зарегистрирован: 13 сен 2009, 19:17
- Двигатель:: 6G72
- Мой автомобиль(и):: MPSport
- Откуда: БЕЛГОРОД 31
- Благодарил (а): 3 раза
- Поблагодарили: 106 раз
Re: Отказали сразу все амортизаторы ....
А какие тут нужны спецы? Моторчики проверь ручками и глазками, когда кто-то в салоне кнопкой играться будет
. По замене амортов решай сам 
-
Экскурсовод
- Сообщения: 57
- Зарегистрирован: 01 фев 2014, 22:19
- Двигатель:: 6g72
- Мой автомобиль(и):: Паджеро 2
- Откуда: Москва
Re: Отказали сразу все амортизаторы ....
Ну естественно моторчики не дышат. Но веть не могли сами моторчики нактыться все вчетвером в один миг, Я думаю что неработа моторчиков это следствие поломки, хотелось бы добраться до причины их выхода из строя.Я так понимаю эти моторы передвигают там какието клапона и тем самым регулируют жёсткость.Ав моем случае клапана встали в открытом положении и всё. И поршень в амортах берает вообще без сопративления,Внимание вопрос:С какого перепуга сами моторы не получают сигнал на шевеление.?saper31 писал(а):А какие тут нужны спецы? Моторчики проверь ручками и глазками, когда кто-то в салоне кнопкой играться будет. По замене амортов решай сам
Спасибо за внимание,
-
Pteradaktel
- Сообщения: 16362
- Зарегистрирован: 14 июн 2011, 16:42
- Двигатель:: 4D56
- Мой автомобиль(и):: Pajero2
- Откуда: Пермь
- Откуда: Пермь
- Благодарил (а): 109 раз
- Поблагодарили: 311 раз
Re: Отказали сразу все амортизаторы ....
Давай разберемся по порядку:
1. что делал до того как аморты "сдохли"?
2. если по твоему аморты неработают как положено, то дело как раз не в моторчиках, а в самих амортизаторах.
Сначала один тыкает кнопку - второй слушает моторчики. Если какой либо из моторчиков умирает, то как правило об этом начинает напоминать индикация на панели- горят сразу или лампочки 2х положений, либо сразу 3х.
Моторчики жжужать, значит дело в самих амортизаторах..откручиваем нижний сайлент и пробуем..Эти амортизаторы двустороннии.
Снимаем моторчик ( ОБЯЗАТЕЛЬНО маркером помечаем и где стоит (пр-зад, лев-зад..и т.д. ) и КАК стоит, лучше еще и сфотать перед тем как снимать будешь, ибо все они стоят "неодинаково" и будешь тут писать - мужики, сфотайте пожалуйста как стоит моторчик правый-задний ( или т.п.). Потыкал кнопку - моторчики рабочие - в коробочку их, не пролюби сальник-резиночку. Аморты под замену - значит пишем Жиперу - и он высылает..не хотим регулируемые, покупаем в екзисте, но в этом случае моторчики с проводки снять, а разьем чем нить замотать, я, к примеру разьемы "прячу" в надувные шарики, а сверху изолентой.
как то так
1. что делал до того как аморты "сдохли"?
2. если по твоему аморты неработают как положено, то дело как раз не в моторчиках, а в самих амортизаторах.
Сначала один тыкает кнопку - второй слушает моторчики. Если какой либо из моторчиков умирает, то как правило об этом начинает напоминать индикация на панели- горят сразу или лампочки 2х положений, либо сразу 3х.
Моторчики жжужать, значит дело в самих амортизаторах..откручиваем нижний сайлент и пробуем..Эти амортизаторы двустороннии.
Снимаем моторчик ( ОБЯЗАТЕЛЬНО маркером помечаем и где стоит (пр-зад, лев-зад..и т.д. ) и КАК стоит, лучше еще и сфотать перед тем как снимать будешь, ибо все они стоят "неодинаково" и будешь тут писать - мужики, сфотайте пожалуйста как стоит моторчик правый-задний ( или т.п.). Потыкал кнопку - моторчики рабочие - в коробочку их, не пролюби сальник-резиночку. Аморты под замену - значит пишем Жиперу - и он высылает..не хотим регулируемые, покупаем в екзисте, но в этом случае моторчики с проводки снять, а разьем чем нить замотать, я, к примеру разьемы "прячу" в надувные шарики, а сверху изолентой.
как то так
-
Vitaliy666
- Сообщения: 2727
- Зарегистрирован: 02 сен 2011, 07:53
- Двигатель:: =--=
- Мой автомобиль(и):: =----=
- Откуда: =--=
- Благодарил (а): 11 раз
- Поблагодарили: 143 раза
Re: Отказали сразу все амортизаторы ....
Про моторчики не пишите чушь все ставится идеально, там перепутать нереально...у себя ставил их пришедшие с япии никаких вопрос не возникло. У них разная только длинна проводов и все.
А вот что машина стала мягкой есть у меня есть предположие что они встали у вас в 4 положение...но если это так он проблема только в моторчиках, снимайте и проверяйте...там довольно все просто 4 контакта...один общий, и 3 положения...подаем 12 вольт и он сам должен прокручиваться в нужное положение, 0 90 180 градусов а вот 270 как раз нет он его прокручиват как бы.пропуская...если так не происходит то лезем в моторчик и смотрим на диск с контактами под шестеренкой, чистим его и подгибаем контакты которые к нему принимаются.
А вот что машина стала мягкой есть у меня есть предположие что они встали у вас в 4 положение...но если это так он проблема только в моторчиках, снимайте и проверяйте...там довольно все просто 4 контакта...один общий, и 3 положения...подаем 12 вольт и он сам должен прокручиваться в нужное положение, 0 90 180 градусов а вот 270 как раз нет он его прокручиват как бы.пропуская...если так не происходит то лезем в моторчик и смотрим на диск с контактами под шестеренкой, чистим его и подгибаем контакты которые к нему принимаются.
-
Pteradaktel
- Сообщения: 16362
- Зарегистрирован: 14 июн 2011, 16:42
- Двигатель:: 4D56
- Мой автомобиль(и):: Pajero2
- Откуда: Пермь
- Откуда: Пермь
- Благодарил (а): 109 раз
- Поблагодарили: 311 раз
Re: Отказали сразу все амортизаторы ....
Чушь - эт то, что у тебя между ног, и если ты случайно попал в правильное положение, то эт не значит, что так будет всегда!Vitaliy666 писал(а):Про моторчики не пишите чушь все ставится идеально, там перепутать нереально...у себя ставил их пришедшие с япии никаких вопрос не возникло. У них разная только длинна проводов и все.
А вот что машина стала мягкой есть у меня есть предположие что они встали у вас в 4 положение...но если это так он проблема только в моторчиках, снимайте и проверяйте...там довольно все просто 4 контакта...один общий, и 3 положения...подаем 12 вольт и он сам должен прокручиваться в нужное положение, 0 90 180 градусов а вот 270 как раз нет он его прокручиват как бы.пропуская...если так не происходит то лезем в моторчик и смотрим на диск с контактами под шестеренкой, чистим его и подгибаем контакты которые к нему принимаются.
как то так
- Серега Сахалин
- Сообщения: 1494
- Зарегистрирован: 01 дек 2009, 05:31
- Двигатель:: D4BF (2016)
- Мой автомобиль(и):: Pajero-2, 91г
- Откуда: Сахалинская область
- Откуда: Северный Сахалин
- Благодарил (а): 79 раз
- Поблагодарили: 65 раз
Re: Отказали сразу все амортизаторы ....
проверь 10 Амперный предохранитель №7 в боксе под рулевой колонкой.Экскурсовод писал(а):Ну естественно моторчики не дышат. Но веть не могли сами моторчики нактыться все вчетвером в один миг, Я думаю что неработа моторчиков это следствие поломки, хотелось бы добраться до причины их выхода из строя.Я так понимаю эти моторы передвигают там какието клапона и тем самым регулируют жёсткость.Ав моем случае клапана встали в открытом положении и всё. И поршень в амортах берает вообще без сопративления,Внимание вопрос:С какого перепуга сами моторы не получают сигнал на шевеление.?saper31 писал(а):А какие тут нужны спецы? Моторчики проверь ручками и глазками, когда кто-то в салоне кнопкой играться будет. По замене амортов решай сам
Спасибо за внимание,
[NXF]G2(SS4) 5FM/T, V44W 2,5TD DEFA,руль МОМО,сигнал MITSUBA, подогрев зеркал.
фары PARDE, шнорк. SAFARY, шериф, ген. 110А,диски СКАД 7JJх16 ЕТ20 PCD6х139,7 DIA109,7
COOPER DISC. STT PRO 235/85 R16//Nokian Hakkapeliitta LT3 265 75 R16
фары PARDE, шнорк. SAFARY, шериф, ген. 110А,диски СКАД 7JJх16 ЕТ20 PCD6х139,7 DIA109,7
COOPER DISC. STT PRO 235/85 R16//Nokian Hakkapeliitta LT3 265 75 R16
-
Vitaliy666
- Сообщения: 2727
- Зарегистрирован: 02 сен 2011, 07:53
- Двигатель:: =--=
- Мой автомобиль(и):: =----=
- Откуда: =--=
- Благодарил (а): 11 раз
- Поблагодарили: 143 раза
Re: Отказали сразу все амортизаторы ....
Ну на личности я вроде не переходил, но для М..даков разнообразных могу повторить, что у вас мозгов не хватает с конструкцией разобраться, которая элементарна и сделана япами так, что вы по другому просто эти моторчики не поставите...моторчики отличаются только длинной проводов. Очень жаль что такие "как-то таки" присутствуют на нашем форуме.Pteradaktel писал(а):Чушь - эт то, что у тебя между ног, и если ты случайно попал в правильное положение, то эт не значит, что так будет всегда!Vitaliy666 писал(а):Про моторчики не пишите чушь все ставится идеально, там перепутать нереально...у себя ставил их пришедшие с япии никаких вопрос не возникло. У них разная только длинна проводов и все.
А вот что машина стала мягкой есть у меня есть предположие что они встали у вас в 4 положение...но если это так он проблема только в моторчиках, снимайте и проверяйте...там довольно все просто 4 контакта...один общий, и 3 положения...подаем 12 вольт и он сам должен прокручиваться в нужное положение, 0 90 180 градусов а вот 270 как раз нет он его прокручиват как бы.пропуская...если так не происходит то лезем в моторчик и смотрим на диск с контактами под шестеренкой, чистим его и подгибаем контакты которые к нему принимаются.
как то так
З.Ы.мне пришли амортизаторы от жипера и моторчики с обрезанными проводами, и я полностью сам ставил и подключал и знаю о чем говорю...на амортизаторах стоят кронштейны для моторчиком, в которых есть срез в отверстии что значит по другому не поставите сам кронштейн, и смещен центр самого моторчика поэтому моторчик на нем тоже по другому не поставить...моторчики внутри и по подключению полностью идентичны и различаются только длинной проводов.
-
Экскурсовод
- Сообщения: 57
- Зарегистрирован: 01 фев 2014, 22:19
- Двигатель:: 6g72
- Мой автомобиль(и):: Паджеро 2
- Откуда: Москва
Re: Отказали сразу все амортизаторы ....
Предохранитель живой, мороты не работают, индикация не как не изменилась. Какое положение кнопки нажмеш ,та лампочка и горит.
Есть впечатление что передние амы слегка начинают сопратевляться болтанию но только на самом жестком положении. Но лишь однажды это было замечено, и только в чечение недолгого времяни после начала движения
а ешё тачка превратилась в дикий атракцион
Когда при торможении тачка очень сильно клюёт передом а жопа поднимаеться я резко бросаю тормоз а потом опять резко торможу. Через 5,6 такиш нажатий машину так сильно раскачивает что задняя ось начинает подпрыгивать, Едущие с зади просто ах-УЕ. все было бы прикольно если бы не укачивало и не выбрасывало с дороги.короче хелп мииии
Есть впечатление что передние амы слегка начинают сопратевляться болтанию но только на самом жестком положении. Но лишь однажды это было замечено, и только в чечение недолгого времяни после начала движения
а ешё тачка превратилась в дикий атракцион
Когда при торможении тачка очень сильно клюёт передом а жопа поднимаеться я резко бросаю тормоз а потом опять резко торможу. Через 5,6 такиш нажатий машину так сильно раскачивает что задняя ось начинает подпрыгивать, Едущие с зади просто ах-УЕ. все было бы прикольно если бы не укачивало и не выбрасывало с дороги.короче хелп мииии
-
Vitaliy666
- Сообщения: 2727
- Зарегистрирован: 02 сен 2011, 07:53
- Двигатель:: =--=
- Мой автомобиль(и):: =----=
- Откуда: =--=
- Благодарил (а): 11 раз
- Поблагодарили: 143 раза
Re: Отказали сразу все амортизаторы ....
Я же написал проверить не встали ли аморты в 4 положение, точнее моторчики...
Потому как если мне память не изменяет то они самые свободные именно в нем... И кстати моторчики всегда крутятся в одну сторону поэтому если выставить первое положение 0 градусов, потом поставить второе 90градусов и потом ткнуть опять первое то моторчик прокрутит полный круг в том числе и через это не существующее 4е положение...может в этот момент они все дружно зависли...поэтому проверяем подается ли напряжение на них, но если лампочки горят то значит с блока оно выходит, т.к. Лампочки подключены параллельно линиям управления...
Потому как если мне память не изменяет то они самые свободные именно в нем... И кстати моторчики всегда крутятся в одну сторону поэтому если выставить первое положение 0 градусов, потом поставить второе 90градусов и потом ткнуть опять первое то моторчик прокрутит полный круг в том числе и через это не существующее 4е положение...может в этот момент они все дружно зависли...поэтому проверяем подается ли напряжение на них, но если лампочки горят то значит с блока оно выходит, т.к. Лампочки подключены параллельно линиям управления...
-
Экскурсовод
- Сообщения: 57
- Зарегистрирован: 01 фев 2014, 22:19
- Двигатель:: 6g72
- Мой автомобиль(и):: Паджеро 2
- Откуда: Москва
Re: Отказали сразу все амортизаторы ....
Примерно месяц назад прикружик колёса 33/12.5 это в дюймах....
Могло ли это так аморты подкосить.?
Могло ли это так аморты подкосить.?
-
Pteradaktel
- Сообщения: 16362
- Зарегистрирован: 14 июн 2011, 16:42
- Двигатель:: 4D56
- Мой автомобиль(и):: Pajero2
- Откуда: Пермь
- Откуда: Пермь
- Благодарил (а): 109 раз
- Поблагодарили: 311 раз
Re: Отказали сразу все амортизаторы ....
Прошу прощение у ТС,
но сначала всяким виталикам-на-первый-снег-нессавшим: мои мысли не являются Чушью, тем более для тебя, ну а за ЧУДАКа я при встрече спрошу.
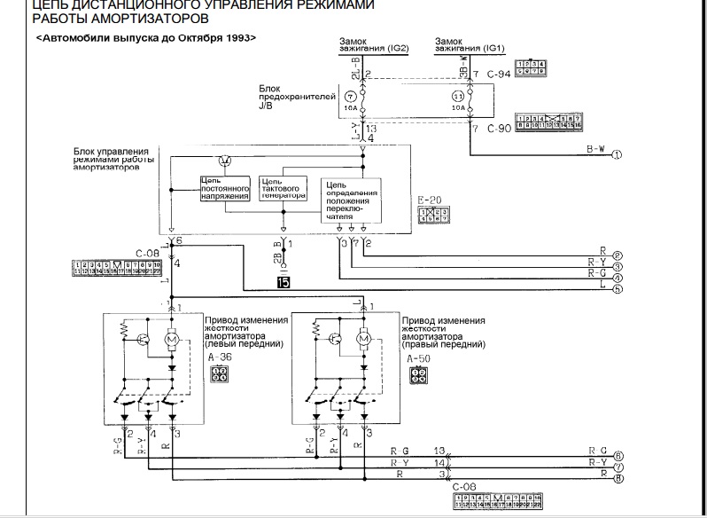
ТС, у движков всего 3 положения, вот тут схемка по поводу установки - и в книжке написано, что они левый-правый, у тут на форуме меня уже пару раз просили сфотать как моторчики стоят, а потому проще учиться на ошибках соклубников,
и еще фоты нашел..у меня "умерли" резинки, вовремя не заметил, получилось так а внешне амморт был достаточно "сухой".
как то так
но сначала всяким виталикам-на-первый-снег-нессавшим: мои мысли не являются Чушью, тем более для тебя, ну а за ЧУДАКа я при встрече спрошу.
ТС, у движков всего 3 положения, вот тут схемка по поводу установки - и в книжке написано, что они левый-правый, у тут на форуме меня уже пару раз просили сфотать как моторчики стоят, а потому проще учиться на ошибках соклубников,
и еще фоты нашел..у меня "умерли" резинки, вовремя не заметил, получилось так а внешне амморт был достаточно "сухой".
как то так
-
Pteradaktel
- Сообщения: 16362
- Зарегистрирован: 14 июн 2011, 16:42
- Двигатель:: 4D56
- Мой автомобиль(и):: Pajero2
- Откуда: Пермь
- Откуда: Пермь
- Благодарил (а): 109 раз
- Поблагодарили: 311 раз
Re: Отказали сразу все амортизаторы ....
И еще мысль..пригоняли патриота после лифта кузова - у него тож раскачка появилась - так там просто неправильно подушки изготовили..
Ты перед 33" лиф не делал?
как то так
Ты перед 33" лиф не делал?
как то так
- Владимир Михайлович
- Сообщения: 6286
- Зарегистрирован: 22 фев 2008, 20:51
- Двигатель:: 6G74
- Мой автомобиль(и):: Монтеро 94 г.в.
- Откуда: Питер
- Откуда: Санкт-Петербург
- Благодарил (а): 69 раз
- Поблагодарили: 178 раз
Re: Отказали сразу все амортизаторы ....
Правильная мысль будет только при ясном представлении о конструкции амортизаторов. Как они устроены и как работает механизм изменения жесткости? Только не на уровне "жужжит и переключается", а точный конструктив.
Монтеро 5 дв. 6G74.АКПП. 94 г.в.
-
Vitaliy666
- Сообщения: 2727
- Зарегистрирован: 02 сен 2011, 07:53
- Двигатель:: =--=
- Мой автомобиль(и):: =----=
- Откуда: =--=
- Благодарил (а): 11 раз
- Поблагодарили: 143 раза
Re: Отказали сразу все амортизаторы ....
Ты то смотрю у нас тут все вокруг обоссал))) не держание видать))) , про встречу могу сказать тоже самое...Pteradaktel писал(а):Прошу прощение у ТС,
но сначала всяким виталикам-на-первый-снег-нессавшим: мои мысли не являются Чушью, тем более для тебя, ну а за ЧУДАКа я при встрече спрошу.
ТС, у движков всего 3 положения, вот тут схемка по поводу установки - и в книжке написано, что они левый-правый, у тут на форуме меня уже пару раз просили сфотать как моторчики стоят, а потому проще учиться на ошибках соклубников,
и еще фоты нашел..у меня "умерли" резинки, вовремя не заметил, получилось так а внешне амморт был достаточно "сухой".
как то так
отличаются передние левый и правый, все различие в детали каплевидной формы с направляющей...она всего лишь задает куда будет повернут амортизатор, чтобы моторчики внутрь смотрели проводами и все...при этом сами амортизаторы идентичны, а так как эта фигня идет в комплекте с амортами и отдельно не купить...поэтому и номера у них разные...движки же еще раз повторюсь полностью идентичны все 4 шт и различаются только длинной проводов...задние амортизаторы вообще полностью одинаковые...давай ради интереса позовем Жипера раз сам не хочешь понять и разобраться, может ему поверишь?
Положений три у движков как ты правильно заметил и все они находятся в пределах 180 градусов штока который внутри аморта вращается, но вращать шток они могут только в одном направлении поэтому периодически делают полное вращение и вот в оставшихся 180 градусах амортизаторы могут полностью отрубать сопротивление...оно же для них не рабочее...и кстати да на твоей фотке еще один из вариантов косяка((( в итоге шток зажимает и привет...но не могло же у тс одновременно все аморты сточить до штока и зажать...
- витал71
- Сообщения: 5784
- Зарегистрирован: 05 мар 2009, 11:10
- Двигатель:: 6G74
- Мой автомобиль(и):: Паджеро-2
- Откуда: Нижний Новгород
- Откуда: Н.Новгород 52
- Благодарил (а): 14 раз
- Поблагодарили: 31 раз
Re: Отказали сразу все амортизаторы ....
какая господа у вас увлекательная беседа
жаль что не в теме,а то бы обязательно присоеденился
жаль что не в теме,а то бы обязательно присоеденился
- Серега Сахалин
- Сообщения: 1494
- Зарегистрирован: 01 дек 2009, 05:31
- Двигатель:: D4BF (2016)
- Мой автомобиль(и):: Pajero-2, 91г
- Откуда: Сахалинская область
- Откуда: Северный Сахалин
- Благодарил (а): 79 раз
- Поблагодарили: 65 раз
Re: Отказали сразу все амортизаторы ....
Vitaliy666 писал(а):Ты то смотрю у нас тут все вокруг обоссал))) не держание видать))) , про встречу могу сказать тоже самое...Pteradaktel писал(а):Прошу прощение у ТС,
но сначала всяким виталикам-на-первый-снег-нессавшим: мои мысли не являются Чушью, тем более для тебя, ну а за ЧУДАКа я при встрече спрошу.
ТС, у движков всего 3 положения, вот тут схемка по поводу установки - и в книжке написано, что они левый-правый, у тут на форуме меня уже пару раз просили сфотать как моторчики стоят, а потому проще учиться на ошибках соклубников,
и еще фоты нашел..у меня "умерли" резинки, вовремя не заметил, получилось так а внешне амморт был достаточно "сухой".
как то так
отличаются передние левый и правый, все различие в детали каплевидной формы с направляющей...она всего лишь задает куда будет повернут амортизатор, чтобы моторчики внутрь смотрели проводами и все...при этом сами амортизаторы идентичны, а так как эта фигня идет в комплекте с амортами и отдельно не купить...поэтому и номера у них разные...движки же еще раз повторюсь полностью идентичны все 4 шт и различаются только длинной проводов...задние амортизаторы вообще полностью одинаковые...давай ради интереса позовем Жипера раз сам не хочешь понять и разобраться, может ему поверишь?
Положений три у движков как ты правильно заметил и все они находятся в пределах 180 градусов штока который внутри аморта вращается, но вращать шток они могут только в одном направлении поэтому периодически делают полное вращение и вот в оставшихся 180 градусах амортизаторы могут полностью отрубать сопротивление...оно же для них не рабочее...и кстати да на твоей фотке еще один из вариантов косяка((( в итоге шток зажимает и привет...но не могло же у тс одновременно все аморты сточить до штока и зажать...
если эта фигня - моторчики, то они отдельно от амортизаторов продаются, сам покупал
а ваще спор жестокий у вас
[NXF]G2(SS4) 5FM/T, V44W 2,5TD DEFA,руль МОМО,сигнал MITSUBA, подогрев зеркал.
фары PARDE, шнорк. SAFARY, шериф, ген. 110А,диски СКАД 7JJх16 ЕТ20 PCD6х139,7 DIA109,7
COOPER DISC. STT PRO 235/85 R16//Nokian Hakkapeliitta LT3 265 75 R16
фары PARDE, шнорк. SAFARY, шериф, ген. 110А,диски СКАД 7JJх16 ЕТ20 PCD6х139,7 DIA109,7
COOPER DISC. STT PRO 235/85 R16//Nokian Hakkapeliitta LT3 265 75 R16
- Серега Сахалин
- Сообщения: 1494
- Зарегистрирован: 01 дек 2009, 05:31
- Двигатель:: D4BF (2016)
- Мой автомобиль(и):: Pajero-2, 91г
- Откуда: Сахалинская область
- Откуда: Северный Сахалин
- Благодарил (а): 79 раз
- Поблагодарили: 65 раз
Re: Отказали сразу все амортизаторы ....
Pteradaktel писал(а):И еще мысль..пригоняли патриота после лифта кузова - у него тож раскачка появилась - так там просто неправильно подушки изготовили..
Ты перед 33" лиф не делал?
как то так
ну и еще:
"чтобы не было пи-дежу надо делать по чертежу". найди грамотного автоэлектрика , чтобы проверил:

