А ну-ка глянь-ка оно?
Там к сожалению не указывается климат/просто кондер для пруля, но насколько я знаю японцы на пруль себе только климаты ставили, для всех остальных обычные кондеры хоть и двухконтурные лепили. Проправьте меня если я не прав...
TRT - Вдоль р.Киржач. Для стандартных 4х4 (08.11.25) Форум Обсуждение FAQ
Установка климата на PII левый руль.
Модераторы: SNOOPER, Nbf, Romik, BAlex
- SoundThunder
- Сообщения: 218
- Зарегистрирован: 13 мар 2006, 14:07
- Двигатель:: 4М40
- Мой автомобиль(и):: Mitsubishi Pajero II
- Благодарил (а): 5 раз
- Контактная информация:
Re: Установка климата на PII левый руль.
- Вложения
-
- el_aircond_LD.pdf
- Левый руль
- (493.28 КБ) 59 скачиваний
-
- el_aircond_RD_1.pdf
- Правый руль 1
- (532.74 КБ) 65 скачиваний
-
- el_aircond_RD_2.pdf
- Правый руль 2
- (493.76 КБ) 66 скачиваний
Pajero II '95 GL, Wagon 4M40 TD (не EFI), МКПП, Part-Time, Европеец
- SoundThunder
- Сообщения: 218
- Зарегистрирован: 13 мар 2006, 14:07
- Двигатель:: 4М40
- Мой автомобиль(и):: Mitsubishi Pajero II
- Благодарил (а): 5 раз
- Контактная информация:
Re: Установка климата на PII левый руль.
А тут человек просто "хакнул" систему...
http://pajero4x4.ru/bbs/phpBB2/viewtopi ... 0%B0%D1%82
http://pajero4x4.ru/bbs/phpBB2/viewtopi ... 0%B0%D1%82
Pajero II '95 GL, Wagon 4M40 TD (не EFI), МКПП, Part-Time, Европеец
- vdpr
- Сообщения: 107
- Зарегистрирован: 24 окт 2013, 10:29
- Двигатель:: 6G74 MPI, бензин
- Мой автомобиль(и):: PAJERO II 1997гв левый руль
- Откуда: Новосибирск
- Поблагодарили: 23 раза
Re: Установка климата на PII левый руль.
Не, к сожалению не оно.SoundThunder писал(а):А ну-ка глянь-ка оно?
Это из автодатовской книжки. Там что в книжках и по бензинке и что по дизелю одно и тоже - только схемы для крутилок, нету климата. Видимо автодата не опустилась до изучения секретных японских схем
Даже в автодатовской книже по спортам нет климата! А должно быть как бы, все таки машины в основном иммено с ним, причем независимо от руля. Англицкие схемы на спорт с климатом есть в инете, но там и будут существенные переделки если брать экранчик от спортов, так как изначально блок с экранчиком заменяет и штатный для П2 блок управления передним кондеем. Много короче переделок если чуть что не то приобрести или захотеть сделать по своему.
Конечно же соклубнику igor-857 огромная благодарность за труд, возможно таким путем мы и пойдем, но схемы покою не дают
Если идти путем без схем то вариант один - покупать все комплектом и так же расплетать и искать концы.
- PAJERO II, 1997, LONG, LHD, дорестайл, 6G74 DOHC MPI, VIN JMB0RV450VJ00063(dva)
- Москвич 214122 УЗАМ 1994 гв
- Москвич 214122 УЗАМ 1994 гв
-
Поджарый
- Сообщения: 166
- Зарегистрирован: 07 май 2013, 23:10
- Двигатель:: 4D56
- Мой автомобиль(и):: PajeroII
- Откуда: Харьков
- Поблагодарили: 6 раз
Re: Установка климата на PII левый руль.
Года три назад то же загорелся идеей климата.
Заказал на харьковской разборке комплект, но разборщики оказались не порядочными и весь комплект не отдали. В том числе порезали проводку: удалена подкапотная и получил только фишки от задних печки с кондеем.
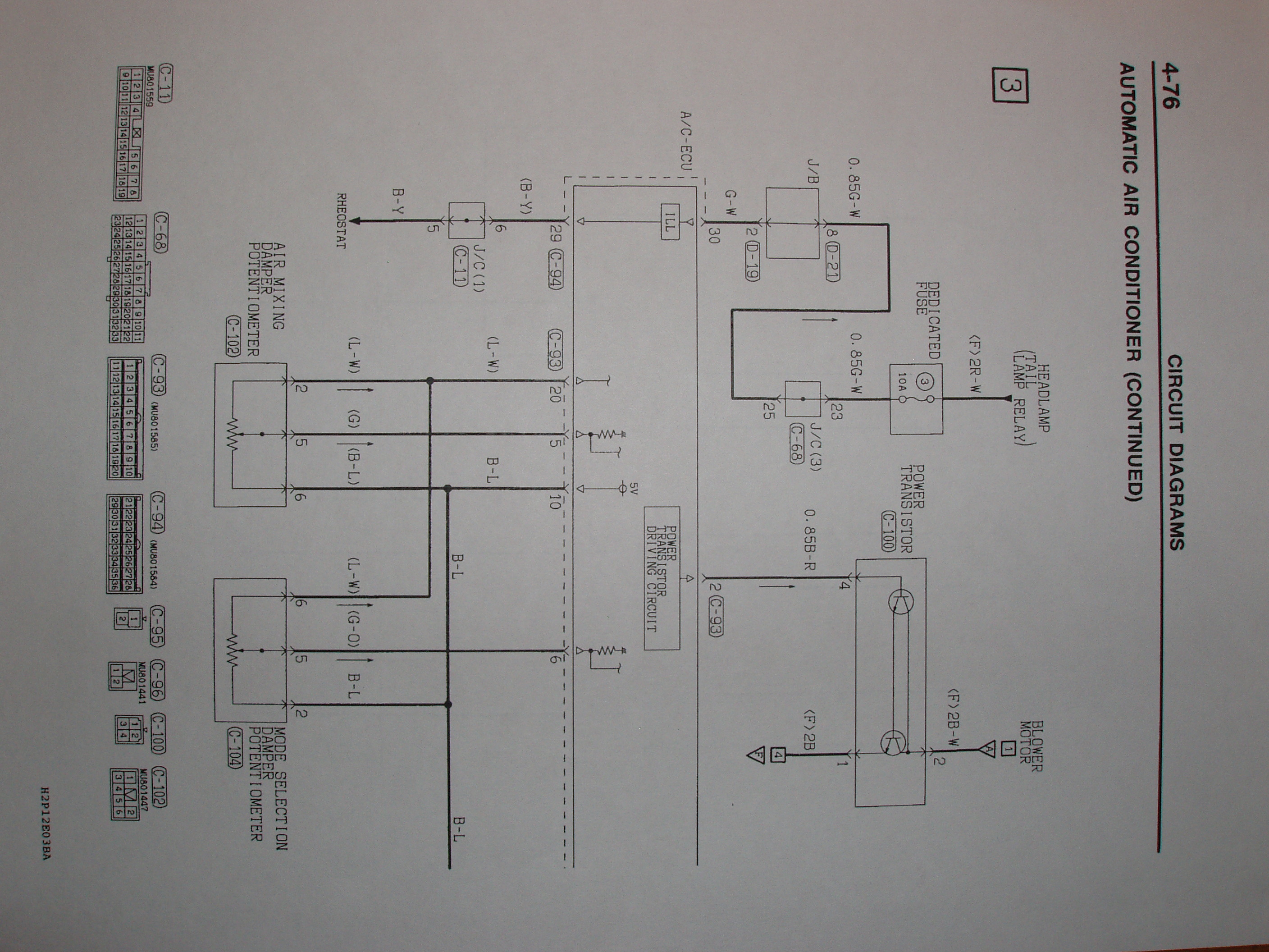
Начал искать схему. С П2 не нашел. Увидел что бывает два типа блоков управления, с диодным индикатором (ранний) и кристаллическим (поздний). Кристаллический увидел также на Спортах и Эльках годов так 98-х. Начал курить на них схемы. Нашел здесь на форуме, за что ему отдельное спасибо т.к. он- самый большой источник информации по нашим машинам.
Где нашел уже не помню
Надо искать...
Себе тогда распечатал, фото первых страниц прикладываю.
"Климат контроль"- это по-нашему а за кордоном его называют именно "Автоматический кондиционер".
Называется раздел "Автоматический кондиционер", схема должна быть очень похожа на паджеровскую и может стать базой для поиска истины.
Общался с одним опытным киевским паджероводом/разборщиком, он сказал что не стоит оно того.
Свой отложил пока в долгий ящик.
Тем, кто пытается поставить, желаю удачи!
Заказал на харьковской разборке комплект, но разборщики оказались не порядочными и весь комплект не отдали. В том числе порезали проводку: удалена подкапотная и получил только фишки от задних печки с кондеем.
Начал искать схему. С П2 не нашел. Увидел что бывает два типа блоков управления, с диодным индикатором (ранний) и кристаллическим (поздний). Кристаллический увидел также на Спортах и Эльках годов так 98-х. Начал курить на них схемы. Нашел здесь на форуме, за что ему отдельное спасибо т.к. он- самый большой источник информации по нашим машинам.
Где нашел уже не помню
Надо искать...
Себе тогда распечатал, фото первых страниц прикладываю.
"Климат контроль"- это по-нашему а за кордоном его называют именно "Автоматический кондиционер".
Называется раздел "Автоматический кондиционер", схема должна быть очень похожа на паджеровскую и может стать базой для поиска истины.
Общался с одним опытным киевским паджероводом/разборщиком, он сказал что не стоит оно того.
Свой отложил пока в долгий ящик.
Тем, кто пытается поставить, желаю удачи!
К войне, как к крайнему средству, прибегают лишь государства-банкроты. Война — последний козырь проигравшего и отчаявшегося игрока, отвратительная спекуляция мошенников и аферистов.
Ромен Роллан.
Ромен Роллан.
